Texas Instruments UCC12050EVM-022 Evaluierungsmodul
Das UCC12050EVM-022 Evaluierungsmodul von Texas Instruments ermöglicht Designern die Evaluierung der Leistungsmerkmale und Fähigkeiten des UCC12050DVE. Der UCC12050DVE ist ein Hochspannungs-DC/DC-Wandler mit hoher Isolationsspannung, der für die Bereitstellung einer effizienten isolierten Stromversorgung für isolierte Schaltungen ausgelegt ist, die eine gut geregelte Versorgungsspannung erfordern. Die UCC12050EVM-022 Testfunktionen des Evaluierungsmoduls für den UCC12050DVE umfassen die Aktivierung/Deaktivierung, die Synchronisierung des Bauteils mit einer externen Taktquelle, die Erkennung externer Taktfehler und die Auswahl zwischen den verfügbaren Ausgangsspannungen.Merkmale
- Einfache Validierung aller verfügbaren Ausgangsspannungsoptionen
- Testpunkte für eine genaue Welligkeit und Einschwingverhalten-Wellenformen
- Das EVM-Layout bietet ein Beispiel für das richtige Board-Layout für die Bemessungsisolierung und EMI-Perfomance
- Isolierte Leistungsübertragung mit hohem Wirkungsgrad von bis zu 500 mW
- Das Design ist getestet und bietet alle Optionen zur Validierung des UCC12050, einschließlich eines leicht verständlichen Benutzerhandbuchs.
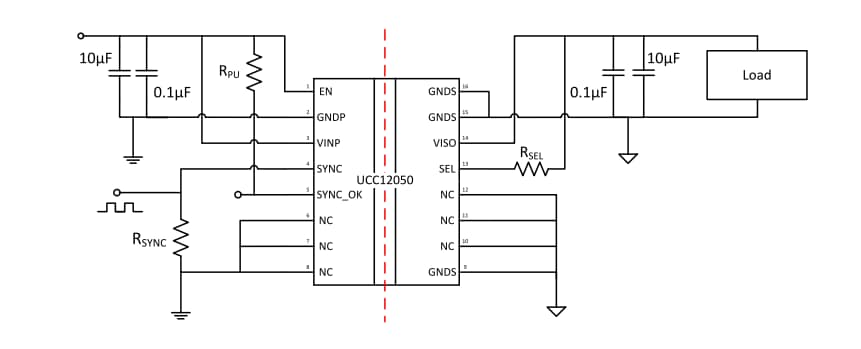
Typische Applikations-Schaltung
Layout
Veröffentlichungsdatum: 2019-10-18
| Aktualisiert: 2024-01-05
