Texas Instruments UCC15240-Q1 Isoliertes Automotive-DC/DC-Modul
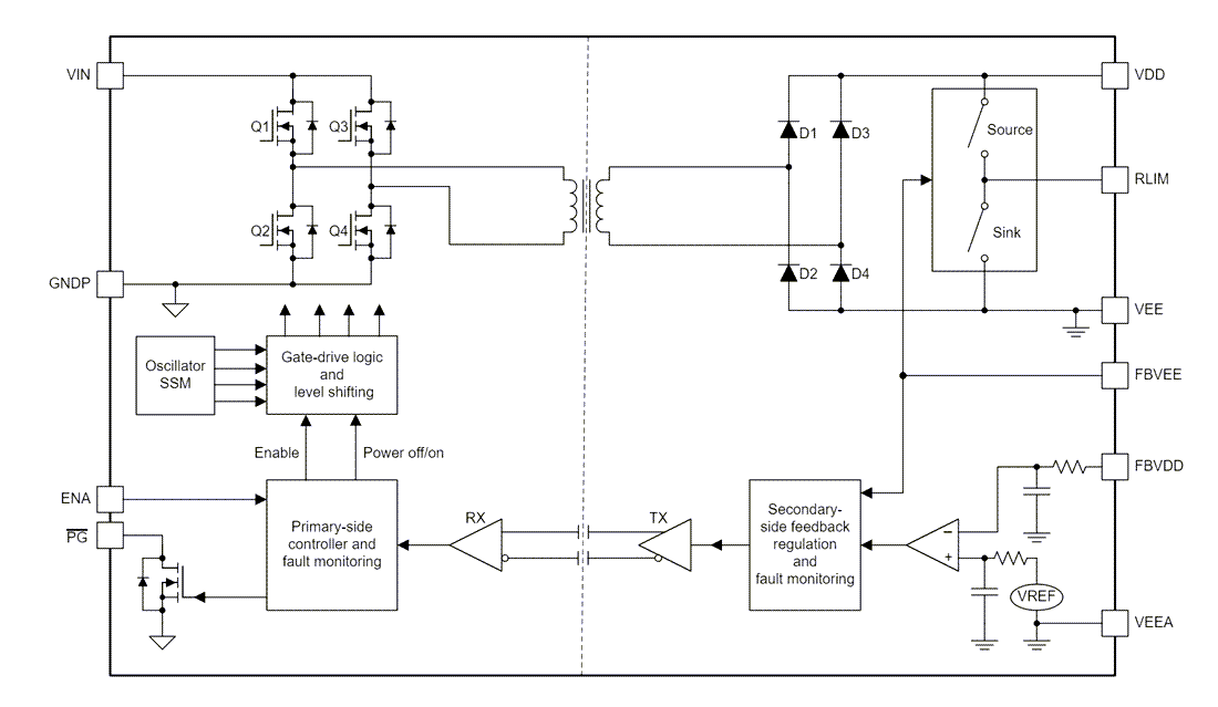
Das Texas Instruments UCC15240-Q1 isolierte Automotive-DC/DC-Modul bietet eine hohe Isolierung und ist für die Stromversorgung von IGBT- oder SiC-Gate-Treibern ausgelegt. Das UCC15240-Q1 kombiniert einen Transformator und einen DC/DC-Controller mit einer proprietären Architektur, um einen hohen Wirkungsgrad bei sehr geringen Emissionen zu ermöglichen. Die hochpräzisen Ausgangsspannungen bieten eine bessere Kanalverbesserung für einen höheren Wirkungsgrad, ohne das Gate des Leistungsgeräts übermäßig zu belasten.Das UCC15240-Q1von TI bietet eine isolierte Ausgangsleistung von bis zu 2,5 W (typisch) bei hohem Wirkungsgrad, benötigt nur eine minimale Anzahl an externen Komponenten und verfügt über einen On-Chip-Bauteilschutz mit zusätzlichen Funktionen. Diese Funktionen für das Bauteil umfassen eine Eingangsunterspannungssperre, Komparatoren für die Ausgangsspannung, eine Überspannungssperre, eine Übertemperaturabschaltung, ein Sanftanlauf-Timing, eine einstellbare isolierte positive und negative Ausgangsspannung, einen Open-Drain-Ausgangs-Power-Good-Pin und einen Freigabe-Pin.
Merkmale
- Vollständig integriertes isoliertes DC/DC-Modul mit hoher Dichte und Trenntransformator
- Isolierter DC/DC für die Ansteuerung von IGBTs, SiC- und Si-MOSFETs
- Eingangsspannungsbereich von 21 V bis 27 V mit 32 V absolutem Maximum
- 2,5 W Ausgangsleistung bei TA ≤ 85 °C und 2,0 W Ausgangsleistung bei TA ≤ 105 °C
- Einstellbare Einzel- oder Doppelausgangsspannungen (über Widerstände) mit <±1,3% Regelungsgenauigkeit über den gesamten Betriebsbereich
- Geringe elektromagnetische Emission durch Spreizspektrummodulation und integriertes Transformatorendesign
- Enable, Power Good, UVLO, OVLO, Soft-Start, Leistungsbegrenzung, Unterspannungs-, Überspannungs-, Kurzschluss- und Übertemperaturschutz
- CMTI > 50 kV/µs
- AEC-Q100-qualifiziert für Fahrzeuganwendungen
- Temperaturklasse 1 von -40 °C ≤ TJ ≤ 150 °C
- Temperaturklasse 1 von -40 °C ≤TA ≤ 125 °C
- Dokumentation über die Funktionssicherheitsfähigkeit zur Unterstützung des Designs funktionaler Sicherheitssysteme
- Geplante sicherheitsbezogene Zulassungen
- Basisisolierung von 5.657 VPK gemäß DIN EN IEC
- 60747-17 (VDE 0884-17)
- 3.000 VRMS Isolierung für 1 Minute gemäß UL 1577
- Grundlegende Isolierung gemäß CQC GB4943.1
- 36-Pin-Wide-SSOP-Gehäuse
Applikationen
- Hybrid-, Elektro- und Antriebsstrangsystem (EV/HEV)
- Wechselrichter und Motorsteuerung
- On-Board(OBC)- und kabelloses Ladegerät
- DC/DC-Wandler
- Industrie-Transportsysteme
- Elektroantrieb für Geländewagen
- Netzinfrastruktur
- EV-Leistungsmodul für Ladestationen
- DC-Ladestation (Stapel)
- String-Wechselrichter
- Motorantriebe
- AC-Wechselrichter und VF-Antriebe, Roboter-Servoantrieb
Bauteilvergleichstabelle
Vereinfachte Applikation
Typische Einschaltsequenz
Funktionales Blockdiagramm
Veröffentlichungsdatum: 2024-03-11
| Aktualisiert: 2025-03-06
