Texas Instruments UCC27284/UCC27284-Q1 120-V-Halbbrücken-Gate-Treiber
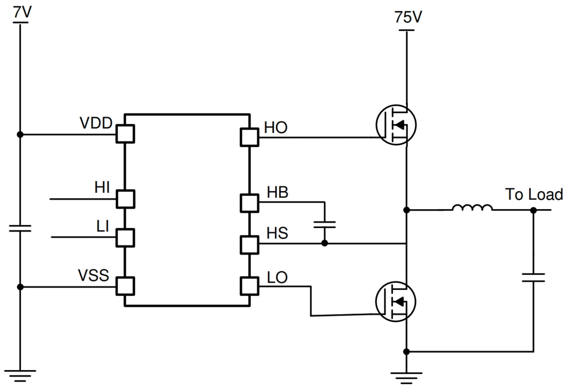
Texas Instruments UCC27284/UCC27284-Q1 120-V-Halbbrücken-Gate-Treiber sind robuste n-Kanal-MOSFET-Treiber mit einer maximalen Nennspannung des Schaltknotens (HS) von 100 V. Die Bauteile ermöglichen, dass die beiden n-Kanal-MOSFETs in Halbbrücken- oder synchronen Abwärtskonfigurations-basierten Topologien gesteuert werden. Der Spitzensenkstrom von 3,5 A und der Spitzenquellstrom von 2,5 A zusammen mit dem niedrigen Pull-up- und Pull-Down-Widerstand ermöglicht dem UCC27284/UCC27284-Q1 den Antrieb von großen Leistungs-MOSFETs mit minimalen Schaltverlusten während dem Übergang des MOSFET-Miller-Plateaus. Da die Eingänge von der Versorgungsspannung unabhängig sind, kann der UCC27284/UCC27284-Q1 in Verbindung mit sowohl analogen als auch digitalen Controllern verwendet werden. Zwei Eingänge und damit die Ausgänge können sich bei Bedarf in Applikationen, wie z. B. in der sekundärseitigen Vollbrücken-Synchrongleichrichtung, überlappen.Die Eingangspins sowie der HS-Pin können eine signifikante negative Spannung tolerieren, wodurch die Systemrobustheit verbessert wird. Die 5-V-UVLO ermöglicht den Betrieb von Systemen mit niedrigeren Vorspannungen, was für viele Hochfrequenzapplikationen erforderlich ist und den Systemwirkungsgrad in bestimmten Betriebsmodi verbessert. Kleine Laufzeitverzögerungen und eine Verzögerungsanpassung reduzieren die Totzeit-Anforderungen, was den Wirkungsgrad weiter steigert. Die Unterspannungssperre (UVLO) steht sowohl für die High-Side- als auch Low-Side-Treiberstufen zur Verfügung und erzwingt einen niedrigen Ausgang, wenn die VDD-Spannung unter dem angegebenen Schwellenwert liegt. Eine integrierte Bootstrap-Diode macht in vielen Applikationen eine externe diskrete Diode überflüssig. Dadurch können die Systemkosten niedrig gehalten und Platz auf dem Board gespart werden. Der UCC27284/UCC27284-Q1 von Texas Instruments wird in einem SOIC-Gehäuse für raue Systemumgebungen angeboten.
Merkmale
- AEC-Q100-qualifiziert mit den folgenden Ergebnissen (UCC27284-Q1):
- Temperaturklasse 1 (Tj = -40 °C bis +150 °C)
- HBM-ESD-Bauteilklassifikationsstufe 1B
- CDM-ESD-Bauteilklassifikationsstufe C3
- Treibt zwei n-Kanal-MOSFETs in der High-Side-/Low-Side-Konfiguration an
- Unterspannungssperre: 5 V (typisch)
- Typische Laufzeitverzögerung von 16 ns
- Anstiegszeit von 12 ns, Abfallzeit von 10 ns mit einer Last von 1.8 nF
- Verzögerungsanpassung: 1 ns (typisch)
- Negative Spannungsbelastbarkeit von 5 V auf den Eingängen
- Negative Spannungsbelastbarkeit von 14 V auf HS
- 3-A-Ausgangs-Senk-, 2,5-A-Ausgangs-Quellströme
- Absolute maximale Boot-Spannung: 120 V
- Integrierte Bootstrap-Diode
Applikationen
- Automotive-DC/DC-Wandler
- Elektrische Servolenkung
- On-Board-Ladegerät (OBC)
- Integrierter riemengetriebener Startergenerator (iBSG)
- Automotive-HLK-Kompressormodule
Datenblätter
Vereinfachtes Applikationsdiagramm
