Texas Instruments UCC27712/UCC27712-Q1 High-Side-/Low-Side-Gate-Treiber
Der Texas Instruments UCC27712/UCC27712-Q1 High-Side-/Low-Side-Gate-Treiber von Texas Instruments ist ein 620V-Gate-Treiber mit 1,8 A Quell- und 2,8 A Senkstrom für den Antrieb von Leistungs-MOSFETs oder IGBTs. Die empfohlene VDD-Betriebsspannung beträgt 10 V bis 20 V für IGBTs und 10 V bis 17 V für Leistungs-MOSFETs. Der UCC27712/UCC27712-Q1 verfügt über Schutzfunktionen, bei denen die Ausgänge niedrig gehalten werden, wenn die Eingänge offen gelassen werden oder wenn die minimale Eingangsimpulsbreiten-Spezifikation nicht erfüllt ist. Verriegelungs- und Totzeit-Funktionen verhindern, dass beide Ausgänge gleichzeitig eingeschaltet werden. Der Baustein akzeptiert auch einen großen Vorspannungsversorgungsbereich von 10 V bis 22 V und bietet einen UVLO-Schutz für sowohl VDD - als auch HB-Vorspannungsversorgung. Die UCC27712-Q1 Bauteile sind AEC-Q100-qualifiziert für Fahrzeuganwendungen.Merkmale
- High-Side- und Low-Side-Konfiguration
- Doppelte Eingänge mit Ausgangsverriegelung und 150 ns Totzeit
- Vollständig betriebsfähig bis zu 620 V, 700 V absolutes Maximum auf HB-Pins
- 10 V bis 20 V VDD empfohlener Bereich
- Spitzenausgangsstrom 2,8 A Senkstrom, 1,8 A Quellstrom
- dv/dt-Störfestigkeit von 50 V/ns
- Logik-Betrieb bis zu –11 V auf HS-Pin
- Negative Spannungstoleranz auf Eingänge von –5 V
- Großer negativer, Transienten-sicherer Betriebsbereich
- UVLO-Schutz für beide Kanäle
- Kleine Verzögerungszeit (100 ns typisch)
- Verzögerungsanpassung (12 ns typisch)
- Potenzialfreier Kanal für Bootstrap-Betrieb
- Niedriger Ruhestrom
- CMOS- und TTL-kompatible Eingänge
- SOIC-8 Industriestandard-Gehäuse
- Alle Parameter sind für einen Temperaturbereich von –40 °C bis +125 °C ausgelegt
Applikationen
- Motorantrieb (Schrittmotoren, HLK, Lüfter, Elektrowerkzeuge, Robotik, Drohnen)
- Brückenwandler in Offline-AC/DC-Netzteilen
- Schaltnetzteile mit hoher Dichte für Server, Telekommunikation, IT und industrielle Infrastrukturen
- DC/AC-Umrichter
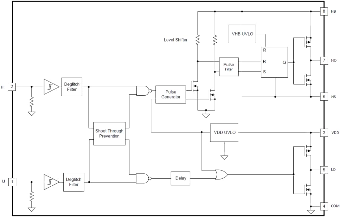
Funktionales Blockdiagramm
Veröffentlichungsdatum: 2017-09-15
| Aktualisiert: 2022-06-07
