Texas Instruments UCD7100 Low-Side-MOSFET-Treiber

Der Texas Instruments UCD7100 Low-Side-MOSFET-Treiber ist ein Treiber, der mit der digitalen Steuerung kompatibel und für Applikationen ausgelegt ist, die eine digitale Steuerungstechnologie verwenden, die einen schnellen lokalen Spitzenstrombegrenzungsschutz erfordern. Der UCD7100 ist ein Low-Side-Hochstrom-MOSFET-Gate-Treiber mit ±4 A. Dadurch können die digitalen Leistungscontroller, wie z. B. UCD9110 oder UCD9501 mit der Leistungsstufe in einendigen Topologien verbunden werden. Der UCD7100 von Texas Instruments bietet eine Zyklus-für-Zyklus-Strombegrenzungsfunktion mit einem programmierbaren Schwellenwert und einer digitalen Ausgangsstrombegrenzungflag, die der Host-Controller überwachen kann. Mit einem schnellen Zyklus-für-Zyklus-Strombegrenzungsschutz von 25 ns kann der Treiber die Leistungsstufe in dem unwahrscheinlichen Fall ausschalten, dass das digitale System nicht rechtzeitig auf eine Ausfallsituation reagiert.

Merkmale

  • Einstellbarer Strombegrenzungsschutz
  • Interner Regler: 3,3 V, 10 mA
  • DSP-/µC-kompatible Eingänge
  • TrueDrive™-Hochstrom-Einzeltreiber von ±4 A
  • Anstiegs- und Abfallzeiten: 10 ns mit Lasten von 2,2 nF (typisch)
  • Eingangs-zu-Ausgangs-Laufzeitverzögerung: 25 ns
  • Strommessung-zu-Ausgangsverzögerung: 25 ns
  • Programmierbare Strombegrenzungsschwelle
  • Digitale Ausgangsstrombegrenzungsflag
  • Versorgungsspannungsbereich: 4,5 V bis 15 V
  • Von -40 °C bis +105 °C eingestuft
  • Bleifreies (Pb) Gehäuse

Applikationen

  • Digital gesteuerte Netzteile
  • DC/DC-Wandler
  • Motorsteuerungen
  • Leitungstreiber

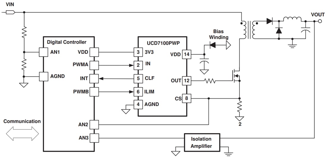
Vereinfachter Schaltplan

Schaltplan - Texas Instruments UCD7100 Low-Side-MOSFET-Treiber
Veröffentlichungsdatum: 2022-02-01 | Aktualisiert: 2022-03-11