Toshiba TLP5795H Infrarot-LED- und Foto-IC-Optokoppler
Toshiba TLP5795H Infrarot-LED und Foto-IC-Optokoppler sind leistungsstarke Optokoppler, die für eine robuste und effiziente Signalisolierung in Industrie- und Leistungselektronik-Applikationen ausgelegt sind. Der TLP5795H von Toshiba ist in einem kompakten SO6L-Gehäuse untergebracht und verfügt über eine hohe Gleichtaktsicherheit (CMTI) von mindestens 100kV/μs und wird mit einem großen Versorgungsspannungsbereich von 15 V bis 30 V betrieben, der sich hervorragend für den Einsatz in rauen elektrischen Umgebungen eignet. Die Bauteile integrieren einen Hochgeschwindigkeits-Fotodetektor und einen Verstärker, was ein schnelles Schalten mit einer typischen Laufzeitverzögerung von 150 ns ermöglicht. Mit einer hohen Isolationsspannung von 5000 VRMS und der Einhaltung von Sicherheitsstandards wie UL1577 und EN60747-5-5 eignet sich der TLP5795H besonders gut für die Gate-Ansteuerung in IGBT- und MOSFET- Schaltungen, die Wechselrichtersteuerung und die Signalübertragung in Motorantrieben und Stromversorgungen. Der geringe Stromverbrauch und die hohe Zuverlässigkeit machen die TLP5795H Optokoppler von Toshiba zu einer starken Wahl für moderne, platzbeschränkte Designs, die eine robuste elektrische Isolierung erfordern.Merkmale
- Buffer-Logik-Typ (totem-pole-Ausgang)
- Typischer Ausgangsspitzenstrom: -4,5 A/+5,3 A
- 3.0 mA maximaler Versorgungsstrom
- 15 V bis 30 V Versorgungsspannungsbereich
- 4 mA Maximaler Eingangsschwellenstrom
- 150 ns Maximale Laufzeitverzögerungszeit
- ±35 kV/µs minimale Gleichtakt-Transientenimmunität
- 5000VRMS minimale Isolationsspannung
- -40 °C bis +125 °C Betriebstemperaturbereich
- Sicherheitsstandards
- UL-anerkannt gemäß UL 1577, Datei-Nr. E67349
- cUL-anerkannt gemäß CSA Component Acceptance Service Nr. 5 a Datei-Nr. E67349
- VDE-zugelassen gemäß EN IEC 60747-5-5, EN IEC 62368-1
- CQC-zugelassen gemäß GB4943.1 Thailand Fabrik
Applikationen
- Industrie-Wechselrichter
- MOSFET-Gate-Treiber
- IGBT-Gate-Treiber
- Photovoltaik (PV) -Leistungskonditionierungssysteme
- Klimaanlagen-Wechselrichter
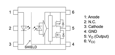
Pinbelegung
Interne Schaltung
Hinweis: Ein Bypass-Kondensator von 1 µF muss zwischen Pin 6 und Pin 4 verbunden werden.
Es wird nicht empfohlen, einen Stromfluss an die Body-Diode des Ausgangs -MOSFET anzulegen.
Veröffentlichungsdatum: 2025-05-29
| Aktualisiert: 2025-06-09
