Trumeter 3410 Series Electronic LCD Hour Meters
Trumeter 3410 Series Electronic LCD Hour Meters feature a large display of 0.28" high characters and are totally sealed from moisture and dirt. These meters are available in 5 different housings and offer a wide operating voltage range of 10VDC to 300VDC and 20VAC to 300VAC. All of the models are NEMA 4/4X, 12, and IP66-rated when used with an optional gasket and have a polarized lens, assuring high visibility in an outdoor environment. Trumeter 3410 Series Electronic LCD Hour Meters are suitable for medical devices, control panels, and generators.Features
- Totally sealed from moisture and dirt
- AC and DC voltage input in the same unit
- Compact depth
- Optional remote reset
- Fits in existing panel openings
- Always-on display
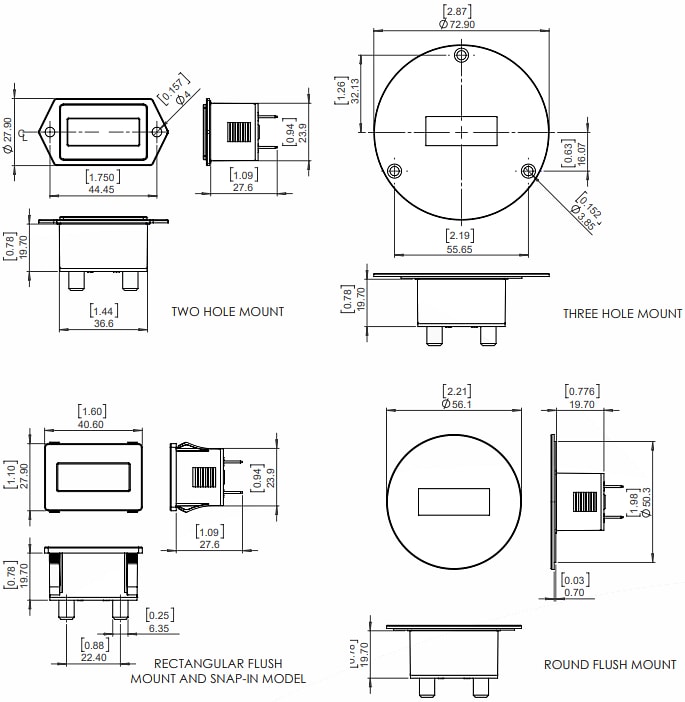
- Available in 5 different housings
Applications
- Medical devices
- Generators
- Control panels
- Production equipment
- Garden tractors
- Marine equipment
Specifications
- 10VDC to 300VDC voltage range
- 20VAC to 300VAC voltage range
- 0.1 hour displayed resolution
- EN 61326 EMC compliance
- -10°C to +60°C operating temperature range
Dimensions
Veröffentlichungsdatum: 2024-02-29
| Aktualisiert: 2024-03-26
