u-blox EVK-JODY-W3 Evaluierungskits
Die EVK-JODY-W3 Evaluation Kits von u-blox nutzen die JODY-W3 Host-basierten Module für den Automotive-Bereich und den professionellen Einsatz, die mit Wi-Fi® 6 und BLUETOOTH® 5.1. Die Bauteile sind für fortschrittliche Infotainment- und Konnektivitätssysteme in Fahrzeugen ausgelegt. Die JODY-W3 Module verwenden die fortschrittliche Wi-Fi 802.11ax-Technologie, um hohe Datenraten für das WLAN zu liefern. Das JODY-W3 betreibt gleichzeitig Dual-Band-WLAN-Netzwerke von 2,4 GHz und 5 GHz unter Verwendung von Dual-MACs und einer 2x2-MIMO-Antennenkonfiguration. Das Bauteil unterstützt Bluetooth 5.1 BR/EDR- und LE-Funktionen, einschließlich einer Datenrate von 2 MBit/s (PHY), erweitertes Advertising und große Reichweite.Das EVK-JODY-W3 Kit ist in ein Modulboard und ein Trägerboard aufgeteilt. Das Modulboard enthält das Modul der JODY-W3-Baureihe und u.FL-Antennenanschlüsse, die direkt auf die Antennenpins des Moduls zugreifen. Das größere Trägerboard beherbergt das Modulboard und verfügt über alle notwendigen Anschlüsse, um das Modul der JODY-W3-Baureihe mit dem Hostsystem zu verbinden.
Die u-blox EVK-JODY-W3 Evaluierungskits ermöglichen einem externen Host-Prozessor den Zugriff auf mehrere praktische Funktionen zum Testen und Evaluieren der Wi-Fi- und Bluetooth-Konnektivität, die von den Modulen der JODY-W3-Baureihe unterstützt wird:
•Externe Steckverbinder zu allen Host-Schnittstellen (PCIe, SDIO und UART)
•USB-Schnittstelle für einen einfachen Zugriff auf die Bluetooth-UART-Schnittstelle über eine USB-zu-UART-Brücke
•Digitale und analoge Audio-Schnittstellen für Bluetooth
•Zwei interne 2,4-GHz -/5-GHz-Dualband-Antennen für WLAN und Bluetooth
•Drei SMA-Steckverbinder für externe Antennen
• GPIO-Pins und andere Modulschnittstellen sind über Pin-Stiftleisten
zugänglich•Mehrere Stromversorgungsoptionen
Merkmale
- EVK-JODY-W374
- Zwei Antennenpins für gleichzeitiges Dual-Band 1x1 2,4 GHz und 2x2 5 GHz Wi-Fi und Bluetooth 5.1
- Zur Evaluierung von JODY-W374-00A
- EVK-JODY-W377
- Drei Antennenpins für gleichzeitiges Dual-Band 2x2 2,4 GHz/5 GHz Wi-Fi und Bluetooth 5.1
- Zur Evaluierung von JODY-W377-00A
Lieferumfang Kit
- Evaluierungsboard (EVB)
- M.2 PCIe-zu-ZIF-Adapter
- Mini-PCIe-zu-ZIF-Adapter
- Micro-SDIO-auf-ZIF-Adapter und -Flachkabel
- Typ-C-USB-Kabel
- Externe Antennen
Erforderliche Ausrüstung
- Host (PC oder Embedded System) mit
- Mini-PCIe- oder M.2 Key E-Steckplatz für den Zugriff auf Wi-Fi über die PCIe-Host-Schnittstelle
- Micro-SDIO-Steckplatz für den Zugang zu Wi-Fi über die SDIO-Host-Schnittstelle
- USB-2.0-Schnittstelle für den Zugriff auf die Bluetooth UART-Schnittstelle durch USB-zu-UART-Brücke
- Unterstützte Betriebssysteme
- Linux (3.x/4.x/5.x)
- Android Pie (9.0.0_2.3.4)
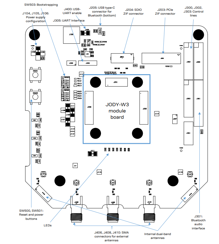
Diagramm Hauptsteckverbinder
Peripherie-Steckverbinder
Steckbrücken und Steckverbinder
