Vishay / Spectrol Quadratischer 3/8-Zoll-Trimmwiderstand mit einfacher Windung der Baureihe 63 Series
Die quadratischen 3/8-Zoll-Trimmwiderstände mit einfacher Windung der Baureihe 63 Series von Vishay / Spectrol sind in verschiedenen Stiftkonfigurationen für Ober- und Seiteneinstellungen erhältlich. Die Widerstände sind mit einer Auswahl an Drehknopfstilen für Fingereinstellungen verfügbar und dank des Mehrfinger-Wischers ist eine schnelle Einstellung möglich. Zu den Spezifikationen gehören ein Standard-Widerstandsbereich von 100 Ω bis 2 MΩ, eine Toleranz von ±10 % und ein breiter Betriebstemperaturbereich von -55°C bis +125°C. Die quadratischen 3/8-Zoll-Trimmwiderstände mit einfacher Windung der Baureihe 63 Series von Vishay / Spectrol sind zwecks der zum Reinigung mit Lösungsmitteln und Wasser mit einer O-Ring-Dichtung und einer IP64-Schutzversiegelung ausgestattet.Merkmale
- Pfeil und Abstufungen für wiederholbare Einstellungen
- O-Ring-Dichtung für Reinigung mit Lösungsmitteln und Wasser
- Dank der im Gehäuse befestigten Pins wird eine starre Platinenmontage erzielt
- Mehrfinger-Schleifer für besseren Durchgangswiderstand
- Massiver Endanschlag
- Professionelle Konstruktion
Technische Daten
- 270 ° Effektiver Nennweg
- Widerstandsbereich: 100 Ω bis 2 MΩ
- ±10 %% Widerstandstoleranz
- Isolierwiderstand von min. 1.000 MΩ
- 35 mNm maximales Startdrehmoment
- Widerstandsfähiges Cermet-Element
- IP64-Abdichtung
- -55 °C bis +125 °C Temperaturbereich
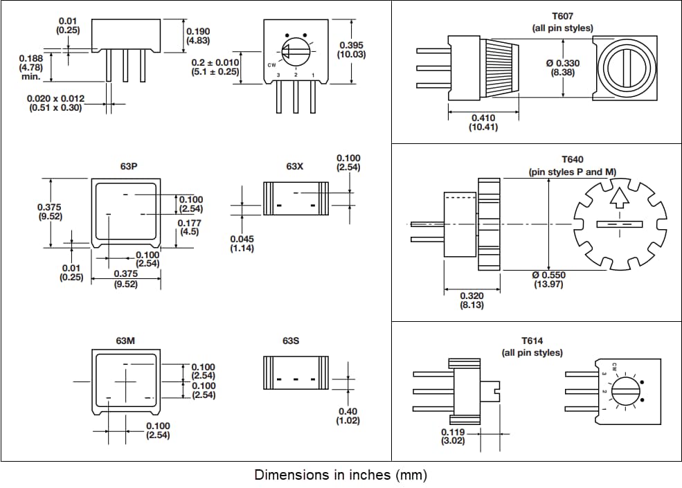
Abmessungen
Weitere Ressourcen
Veröffentlichungsdatum: 2025-05-27
| Aktualisiert: 2025-07-14
