Vishay / Dale ICM2020 Hochstrom-Gleichtaktdrosseln
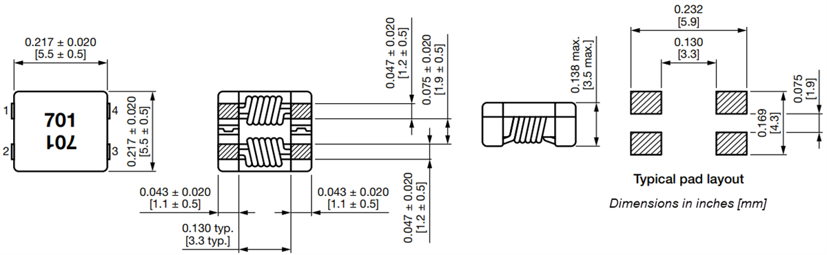
Die Hochstrom-Gleichtaktdrosseln der Baureihe ICM2020 von Vishay / Dale sind drahtgewickelte Ferrit-Gleichtaktdrosseln mit einer Betriebsspannung von 80 VDC. Diese Drosseln sind mit einem Isolationswiderstand von mindestens 10 MΩ ausgelegt und arbeiten in einem Temperaturbereich von -40 °C bis +125 °C. Der Gleichtakt-Impedanzbereich der ICM2020-Baureihe reicht von 50 Ω bis 300 Ω bei 10 MHz (typisch) und 100 Ω bis 1400 Ω bei 100 MHz (typisch). Diese Drosseln sind RoHS-konform, blei- und halogenfrei und sind in einem 5,5 mm x 5,5 mm x 3,5 mm großen SMD-Gehäuse untergebracht. Die Drosseln der Baureihe ICM2020 von Vishay / Dale eignen sich hervorragend für LCDs, DC/DC-Stromversorgungen, Beleuchtungstreiber, Rauschunterdrückung und -filterung sowie batteriebetriebene Geräte.Merkmale
- Drahtgewickelte Ferrit-Gleichtaktdrossel
- Isolationswiderstand: 10 MΩ (min.)
- Gleichtaktimpedanz
- 50 Ω bis 300 Ω bei 10 MHz (typisch)
- 100 Ω bis 1400 Ω bei 100 MHz (typisch)
- SMD-Gehäuse, 5,5 mm x 5,5 mm x 3,5 mm
- -40 °C bis +125 °C Betriebstemperaturbereich
- RoHS-konform
- Blei- und halogenfrei
Applikationen
- DC/DC-Stromversorgungen
- LCDs
- Rauschunterdrückung und -filterung
- Beleuchtungstreiber
- Batteriebetriebene Geräte
Schaltschema
Abmessungen
Veröffentlichungsdatum: 2024-11-22
| Aktualisiert: 2024-12-12
