Vishay Optisch isolierte MOSFET-Treiber
Optisch isolierte MOSFET-Treiber von Vishay bieten die Spannung, die für die Ansteuerung des Gates eines Niederspannungs-MOSFET erforderlich ist. Die Gate-Spannung wird von Photovoltaik-Zellen erzeugt und auf der Ausgangsseite ist keine Stromversorgung erforderlich. Dies vereinfacht Designs bei der Verwendung von Niederspannungs-MOSFETS. Der Einkanal-VOM1271T bietet eine Ausgangsspannung von 8,4 V mit einem Eingangsdurchlassstrom von nur 10 mA. Der Zweikanal-VO1263AACTR bietet eine Ausgangsspannung von 14,5 V.Merkmale
- VOM1271T:
- Offene Stromkreis-Spannung von 8,4 V typisch mit IF=10mA
- Kurzschlussstrom von typischerweise 15 µA
- Isolationsspannung: 3750VRMS
- Einschaltzeit 53 µs, Ausschaltzeit 24 µs
- Keine VCC-Versorgung auf der Ausgangsseite
- GATE-Spannung, die ausschließlich von Photovoltaikzellen erzeugt wird
- Kleines und SOP-4-Gehäuse
- Automotive AEC-Q102-qualifizierte Option
- VOD3120AB-T:
- Minimaler Spitzenausgangsstrom von 2,5 A
- Betriebsspannung von 15 V bis 30 V
- Isolationsspannung: 5300VRMS
- Einschaltzeit 35 µs, Ausschaltzeit 150 µs
- VO1263AACTR:
- Dual-Kanal
- Offene Stromkreis-Spannung von 14,7 V typisch mit IF= 10 mA
- Offene Stromkreis-Spannung von 15,2 V typisch mit IF= 30 mA
- Kurzschlussstrom von typischerweise 15 µA bei IF = 10 mA
- Isolationsspannung: 5300VRMS
- Einschaltzeit 35 µs, Ausschaltzeit 150 µs
Blockdiagramm
VOM1271T Applikationsdiagramm
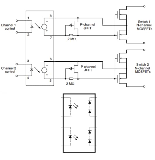
VO1263AACTR Applikationsdiagramm
VOD3120AB-T Applikationsdiagramm
Veröffentlichungsdatum: 2023-08-18
| Aktualisiert: 2024-08-13
