Vishay Semiconductors GBPCx Einphasen-Brückengleichrichter
Die Einphasen-Brückengleichrichter der Baureihe GBPCx von Vishay Semiconductors sind glaspassivierte Bauteile mit hoher Stromstoßfähigkeit. Diese Gleichrichter weisen einen typischen IR von weniger als 0,5 μA und eine Vierfachschaltungskonfiguration auf. Die GBPCx-Gleichrichter arbeiten in einem Temperaturbereich von -55 °C bis 150 °C und sind RoHs-konform. Diese Gleichrichter werden in AC/DC-Brücken-Vollwellengleichrichtung, Haushaltsgeräten, Büroausrüstungen und Industrieautomatisierungs-Applikationen verwendet.Merkmale
- UL-Erkennungsdateinummer E54214
- Vier-Schaltungskonfiguration
- Typischer IR von weniger als 0,5 μA
- Hohe Stoßstrombelastbarkeit
- Sperrschicht-Betriebstemperaturbereich: -55 °C bis 150 °C
- Tauchlöten bei 275 °C max. 10 Sek. gemäß JESD 22-B106
- RoHS-konform
- Universelle 3-Wege-Anschlüsse (GBPC12, GBPC15, GBPC25 und GBPC35):
- Einrastbar
- Wickelverbindung
- PCB-Montage
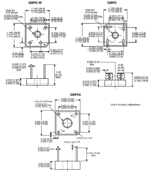
- Gehäuse:
- GBPC und GBPC-W (GBPC12, GBPC15, GBPC25 und GBPC35)
- GBPC6 (GBPC6005, GBPC601, GBPC602, GBPC604, GBPC606, GBPC608 und GBPC610)
Applikationen
- AC/DC-Brücken-Vollwellengleichrichtung
- Haushaltsgeräte
- Büroausstattung
- Industrieautomatisierung
Gehäuseaußenabmessungen
Veröffentlichungsdatum: 2025-02-26
| Aktualisiert: 2025-03-20
