Vishay Semiconductors Gen 5 600 V Hyperfast- und Ultrafast-Gleichrichter
Vishay Semiconductors Gen 5 600 V Hyperfast- und Ultrafast-Gleichrichter bieten eine einzigartige Kombination von geringen Leitungs- und Schaltverlusten. Diese Gleichrichter sind zur Erhöhung des Wirkungsgrads von Hochfrequenz-Wandlern und hart- und weichschaltenden oder resonanten Designs ausgelegt. Die Gen 5 600 V Hyperfast- und Ultrafast-Gleichrichter werden von der Kupfer-Grundplatte im SOT-227-Gehäuse isoliert und ermöglichen die Erstellung von gängigen Kühlkörpern und kompakten Baugruppen.Die Gen 5 600 V Hyperfast- und Ultrafast-Gleichrichter sind speziell zur Verbesserung des Wirkungsgrades von PFC, Ausgangsgleichrichterstufen von EV/HEV-Batterieladestationen, Booster-Stufen von Solar-Wechselrichtern und USV-Applikationen ausgelegt. Diese Bauteile sind perfekt auf den Betrieb mit MOSFETs oder Hochgeschwindigkeits-IGBTs abgestimmt.
Merkmale
- Ultraschnelle und optimierte Qrr
- Erstklassige Balance zwischen Durchlass-Spannungsabfall und Schaltverlusten
- Für den Hochgeschwindigkeitsbetrieb optimiert
- Maximale Sperrschicht-Betriebstemperatur von 175 °C
- Elektrisch isolierte Grundplatte
- Große Kriechstrecke zwischen Anschlüssen
- Vereinfachte mechanische Designs, schnelle Montage
- Designed und qualifiziert für industriellen Einsatz
- UL-Zulassung (ausstehend)
Applikationen
- PFC- und Ausgangsgleichrichtungsstufen für EV-/HEV-Batterieladestationen
- Booster-Stufen für Solarwechselrichter
- USV
Schaltungskonfiguration
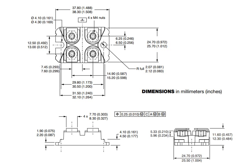
Abmessungen
Ähnliche Inhalte
Veröffentlichungsdatum: 2022-09-30
| Aktualisiert: 2022-10-11
