Wolfspeed 25-W-Hilfsstrom-Flyback-Evaluierungsplattform
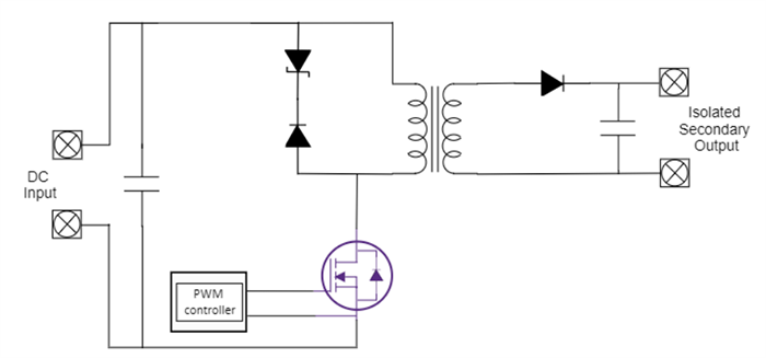
Die 25-W-Hilfsstrom-Flyback-Evaluierungsplattform (KIT-CRD-025DD17P-J) von Wolfspeed demonstriert die Verwendung von 1.700-V-Siliziumkarbid-(SiC)-MOSFETs in einer Einzelschalter-Flyback-Konfiguration. Dieses von Wolfspeed bereitgestellte Kit, das in einem flexiblen Design geliefert wird, kann verwendet werden, um die Leistung des Sperrwandlers, des SiC-MOSFETs und des Transformators zu bewerten und zu optimieren. Die verwendete MOSFET-Familie C3M00900170x verfügt über einen großen Betriebs-Spannungsbereich von 12 V bis 18 V für die Gate-Source-Spannung, wodurch das Kit einfach und kostengünstig in bestehende Si- oder SiC-Einzelschalter-Designs integriert werden kann. Dieser primärseitig geregelte Wandler (mit Hilfswicklung) eliminiert die Notwendigkeit eines Optokopplers und bietet eine platzsparende und kostengünstige Lösung für alle industriellen Anwendungen wie Solar-Wechselrichter, Elektrofahrzeug-Ladegeräte, Motorantriebe, HLK-Anwendungen und vieles mehr.Merkmale
- Vollständig bestückt
- Verwendet einen C3M00900170x MOSFET mit einem großen Betriebsspannungsbereich von 12 V bis 18 V für die Gate-Source-Spannung
- Großer Eingangsspannungsbereich von 60 VDC bis 1.000 VDC
- Maximale Ausgangsleistung: 25 WW
- 15 V geregelte Ausgangsspannung
- Option zum Hinzufügen und Verwenden von 2x Sekundärausgängen
- Einzelschalter-Flyback-Konfiguration
- Einfach zu bedienen mit ausreichend Testpunkten
- Hoher Wirkungsgrad
- Raum- und kostenoptimierte Lösung
Applikationen
- Solar-Wechselrichter
- EV-Ladung
- Motorantriebe
- Wärmepumpen und Klimaanlagen
- Energiespeichersysteme
Einzelschalter-Flyback-Topologie
Abmessungen
Veröffentlichungsdatum: 2025-08-28
| Aktualisiert: 2025-09-02
