Wolfspeed KIT-CRD-CIL12N-GMA WolfPACK™ Evaluierungsboard
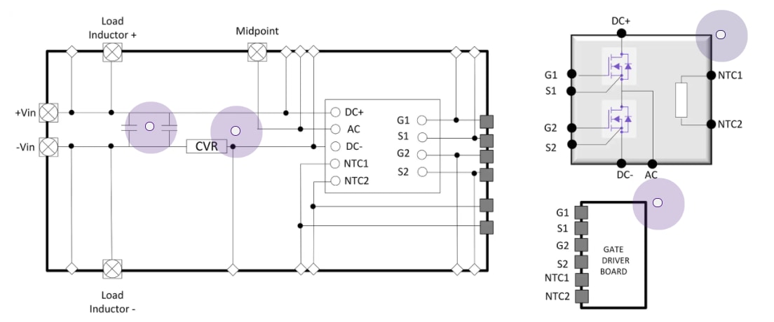
Das KIT-CRD-CIL12N-GMA WolfPACK™ Halbbrücken-Evaluierungsboard von Wolfspeed ist ein dynamisches Charakterisierungstool, das zur Evaluierung und Optimierung der Schaltleistung der GM3-SiC-Halbbrücken-Leistungsmodule ausgelegt ist. Das Board enthält eine geklemmte induktive Last (CIL)-Testschaltung mit einer Strommessung, die eine Prüfvorrichtung mit hoher Geschwindigkeit und niedriger Induktivität für das Testen von Doppelimpulsen bietet. Die Prüfvorrichtung zusammen mit einem ausgewählten Gate-Treiber-Board ermöglicht die Messung von Timing, Überschwingung, Geschwindigkeit und Schaltverlusten.Merkmale
- Optimiert für die WolfPack GM3-SiC-Halbbrücken-Leistungsmodule von Wolfspeed
- DC-Bus-Spannung von bis zu 1.000 V
- On-Board-200 uF-Massekondensator und Hochfrequenz-Folienkondensatorbank
- Layout mit hoher Geschwindigkeit und niedriger Induktivität mit einer Streuinduktivität von 4,9 nH bei 10 MHz
- On-Board-Stromerkennungswiderstand (CVR)
- Schraubanschlüsse für Versorgungs-, Mittel- und Lastinduktivitäts-Verbindungen
Applikationen
- EV-Schnelladesysteme
- Industrieleistung
- USV
- Induktionserwärmung, Schweißen
- Industriemotorantriebe
- Netzteile
- Solarenergie und erneuerbare Energien
- Netzinfrastruktur
Lieferumfang Kit
- Vollständig bestücktes PCB-Board
- Referenzdesign-Dateien
Weitere Ressourcen
KOMPONENTENLAYOUT
Blockdiagramm
Veröffentlichungsdatum: 2021-11-09
| Aktualisiert: 2022-03-11
