Wolfspeed SpeedVAL™ Kit Modulare Evaluierungsplattformen

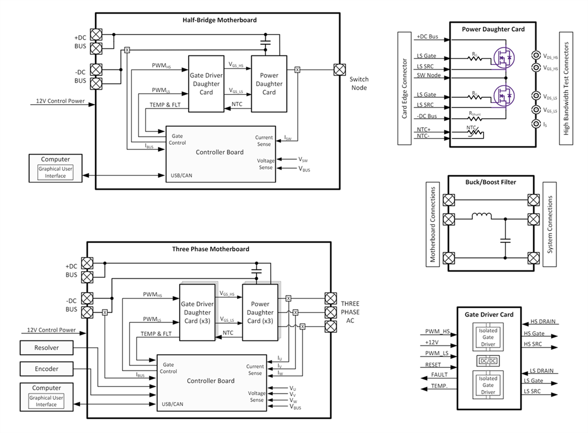
SpeedVal™ Kit Modulare Evaluierungsplattformen von Wolfspeed verfügen über einen flexiblen Satz von Bausteinen zur In-Circuit-Systemleistungsevaluierung, die den Übergang von Silizium zu Siliciumcarbid (SiC) beschleunigen. Die Plattformen ermöglichen das Testen von Siliciumcarbid-Bauteilen, Gate-Treibern und Steuerungen unter tatsächlichen Betriebsbedingungen und ermöglichen den Anwendern so einen sicheren Übergang zu ihrem Design. Diese Evaluierungsplattformen bieten eine große Auswahl an Leistungstopologien, Gehäusetypen und Spannungen, die fast jede Applikation unterstützen. Die Plattformen bestehen aus verschiedenen Evaluierungsboards, darunter ein Motherboard, eine Leistungs-Tochterkarte, eine Gate-Treiber-Karte eine optionale Steuerungskarte sowie weiteres optionales Zubehör.

Die Kits ermöglichen eine schnelle Evaluierung und Optimierung der dynamischen Hochgeschwindigkeits-Schaltleistung von Siliziumkarbid-MOSFETs von Wolfspeed, wenn sie mit einer großen Auswahl von Gate-Treiber-Optionen gepaart werden. Die Plattformen führen leistungsstarke thermische Tests durch, um den Betrieb an tatsächlichen Betriebspunkten zu evaluieren. Ein genaues modulares Spice-Modell für jeden Block im system ermöglicht es Ingenieuren, Testdaten mit Simulationen zu vergleichen und auf der Simulationsdatei aufzubauen, um die Systeme der Benutzer zu modellieren.

Eine einzigartige Kartenkantenverbindung zur Leistungs-Tochterkarte ermöglicht Benutzern, Siliziumkarbid-Bauteile in Sekundenschnelle zu modifizieren, während gleichzeitig eine Verbindung mit niedriger Induktivität zum DC-Bus aufrechterhalten wird. Das bedeutet, dass Tests, die früher Wochen dauerten, jetzt nur noch Minuten dauern. Der Leistungs-Tochterkartenansatz ermöglicht es, mit derselben Plattform SiC-Bauteile in verschiedenen Gehäusen, von oberflächenmontierten TOLL-Bauteilen bis zu TO-247-Gehäusen, zu evaluieren.

Das Dreiphasen-Motherboard enthält dieselbe Fähigkeiten wie das Halbbrückenboard und ermöglicht darüber hinaus das schnelle Testen von Siliciumcarbid-Bauteilen unter realen Betriebsbedingungen in verschiedenen Dreiphasen-Industrie-Motorantrieben von 2 kW bis 30 kW, EV-Hilfsmotoren, Wärmepumpen und Klimageräten.

Merkmale

  • Mehrere Konfigurationen
  • Schnell Bauteile zum Testen austauschen
  • Geprüfte kompatible Komponenten
  • Auf dem Board vormontierter Kühlkörper
  • BNC-Steckverbinder für niedrigere VDS-Messung
  • Buck/Boost bis zu 15 kW
  • Dreiphasen-Wechselrichter bis zu 30 kW
  • Prüfung von 650-V- bis 1.200-V-Bauteilen

Applikationen

  • Automobil-Applikationen
  • Erneuerbare Energie
  • Netzteile
  • PV-Umrichter
  • On-Board-EV-Ladegeräte
  • Industrielle Leistung
  • Antriebsstrang-Traktionswechselrichter
  • Hochspannungs-DC/DC-Wandler
  • Motorantriebe

Blockdiagramme

Blockdiagramm - Wolfspeed SpeedVAL™ Kit Modulare Evaluierungsplattformen
Blockdiagramm - Wolfspeed SpeedVAL™ Kit Modulare Evaluierungsplattformen
Blockdiagramm - Wolfspeed SpeedVAL™ Kit Modulare Evaluierungsplattformen

Videos

Veröffentlichungsdatum: 2023-10-04 | Aktualisiert: 2025-12-04