Wolfspeed YM Sixpack-Siliziumkarbid-Leistungsmodule
Die Siliciumcarbid-Leistungsmodule YM Sixpack von Wolfspeed sind für Applikationen im Fahrzeugbereich zugelassen und wurden mit Fokus auf eine nahtlose Designintegration und Langlebigkeit entwickelt. Die Module optimieren die Siliciumcarbid-Integration in Traktionssysteme in Nutz- und Baufahrzeugen sowie landwirtschaftlichen Fahrzeugen mit dem Industriestandard-Footprint und der fortschrittlichen Verpackungs-Technologie. Die Module YM Sixpack verfügen über ein optimiertes Layout für den Stromanschluss, dank dem die Induktivität des Gehäuses reduziert, wodurch geringere Spannungsspitzen und extrem niedrige Schaltverluste ermöglicht werden. Zu den typische Applikationen gehören Motorantriebumrichter für Kraftfahrzeuge, hybride Elektrofahrzeuge, Motorantriebssysteme, erneuerbare Energie, Hilfsstromversorgungen, kommerzielle Bau- sowie Landwirtschaftsfahrzeuge.Die YM Six-Pack-Siliciumcarbid-Leistungsmodule sind in verschiedenen Nennströmen von bis zu 1.200 V / 650 A erhältlich. Diese YM-Module erfüllen die Anforderungen des AQG-324 Automotive-Modulstandards. Die direkt gekühlte Pin-Fin-Bodenplatte der YM Sixpack- Leistungsmodule verbessert die thermische Leistung, während Press-Fit-Pins die Montage vereinfacht.
Merkmale
- Vollständig auf SiC-MOSFETs basierend für extrem geringe Verluste
- 1200 V Sperrspannung
- 330 A, 460 A oder 600 A Nennstromoptionen
- 2,1 mΩ, 2,8 mΩ oder 4,3 mΩ RDS(on) bei +25 °C
- Comparative Tracking Index (CTI) >600 V für Materialgruppe I
- 6,6 nH Extrem niedrige Schleifeninduktivität
- Direkt gekühlte PinFin-Bodenplatte
- Footprint nach Industriestandard
- Press-Fit-Anschluss für eine einfache Montage
- Integrierte NTC-Temperatursensoren
- Si3N4 Hochleistungs-Isolator
- Extrem zuverlässige Anschlusstechnologien
- AQG-324-Qualifizierung
Applikationen
- Automotive-Traktionswechselrichter
- Nutz-, Bau- und Landwirtschaftsfahrzeuge
- Hybrid-Elektrofahrzeuge
- E-Mobilität und Motorantriebe
- Hilfsnetzteile
- Erneuerbare Energie
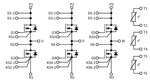
Schaltschema und Pinbelegung
Veröffentlichungsdatum: 2025-04-30
| Aktualisiert: 2026-03-10
