Würth Elektronik WS-MITV Anschluss-Mikroschalter
Die WS-MITV Anschluss-Mikroschalter von Würth Elektronik sind SPDT-Anschlussschalter (Single Pole Double Throw, SPDT), die auf der Durchsteckmontage-Technologie (THT) basieren. Diese Mikroschalter verfügen über eine ohmsche Last mit einem Nennstrom von 2 A und einer Nennspannung von 30 VDC. Die WS-MITV Mikroschalter bieten Varianten mit Betätiger, Hebel und Rollenhebel mit einer Betätigungskraft von 80 gf und 150 gf. Diese Mikroschalter werden in einem Temperaturbereich von -40 °C bis 85 °C betrieben. Die WS-MITV Anschluss-Mikroschalter sind mit einer Brennbarkeitsklasse gemäß UL94V-0 und bleifreiem Schwall-Löten gemäß JEDEC verfügbar.Merkmale
- SPDT-Schalter
- THT-Anschluss
- Mit einer Betätigungskraft von 80 gf und 150 gf verfügbar
- Bietet Varianten mit Betätiger, Hebel und Rollenhebel
- Schalengehäuse
Applikationen
- Building
- Automation
- Security and household
- Vending machines
- Low force activation applications
Technische Daten
- 12,8 mm x 5,8 mm mit vertikalem Betrieb
- Ohmsche Last mit Nennstrom von 2 A
- Nennspannung: 30 VDC
- Bleifreies Schwall-Löten gemäß JEDEC
- Schalengehäuse
- Betriebstemperaturbereich: -40 °C bis 85 °C
- Brennbarkeitsklasse: UL94V-0
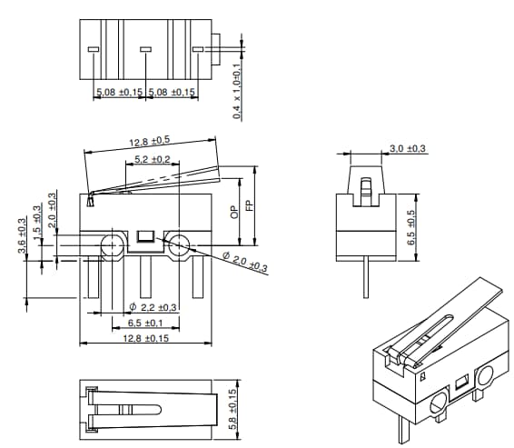
Abmessungen (mm)
Veröffentlichungsdatum: 2019-04-23
| Aktualisiert: 2023-10-30
