Analog Devices Inc. AD8411ARx Evaluierungsboards
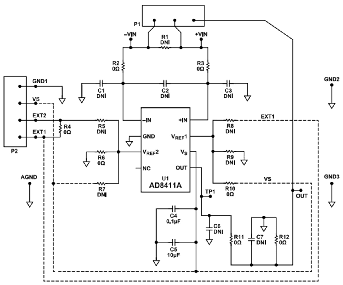
Analog Devices AD8411ARx Evaluierungsboards werden zur Evaluierung der Fähigkeiten des AD8411A Strommessverstärkers verwendet. Die AD8411AR-EVALZ und AD8411ARM-EVALZ von analog Devices verfügen über ein benutzerfreundliches design und ermöglichen eine mühelose Konfiguration in verschiedenen Betriebsmodi. Die Platinen passen sich einer Vielzahl von Lastanforderungen an und bieten durch die Integration eines Querwiderstands (1 R) mit einer Standardgröße von bis zu 2818 eine unübertroffene Flexibilität. Der AD8411AR-EVALZ nimmt den AD8411A in einem kleinen integrierten Schaltkreis (small outline integrated circuit, SOIC) auf, während der AD8411ARM-EVALZ den AD8411A in einem mini Small Outline package (MSOP) unternimmt.Merkmale
- Ermöglicht schnelles Breadboarding und Prototyping
- Leicht konfigurierbar für eindirektionale oder bidirektionale Betriebsweise
- Enthält eine Vorrichtung für den Stromsensorshunt-Widerstand
- Einfacher Anschluss an Prüfgeräte
- Enthält Vorrichtungen für einen Eingangsfilter und einen Ausgangsfilter
- Entkoppelte Versorgungsleitung
Schaltschema
Übersicht
Veröffentlichungsdatum: 2023-06-28
| Aktualisiert: 2023-08-25
