Analog Devices Inc. AD9177 16-Bit-DAC mit Breitband-Channelizer
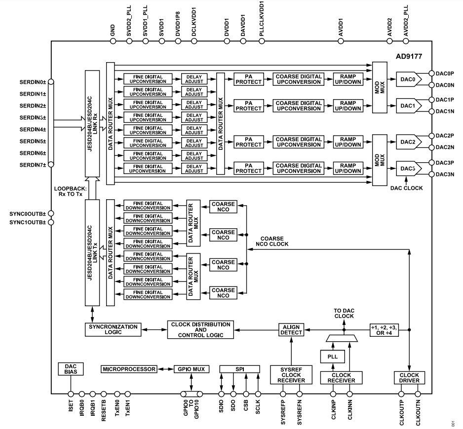
Der Analog Devices Inc. AD9177 16-Bit-DAC mit Breitband-Channelizer bietet ein flexibles rekonfigurierbares gängiges Plattformdesign. Der AD9177 ist ein hochintegriertes Bauteil mit vier 16-Bit-HF-Digital-Analog-Wandler-Cores (DAC) mit einer maximalen Abtastrate von 12 GS/s, das bis zu acht Basisbandkanäle unterstützt. Das Bauteil verfügt über einen seriellen 24,75-GBit/s-JESD204C- oder 15,5-GBit/s-JESD204B-Datenempfänger-Anschluss (JRx), einen On-Chip-Taktvervielfacher und digitale Signalverarbeitungs-Datenpfade (DSP). Diese Datenraten können umgangen werden, um eine direkte Verbindung zwischen dem Datenempfängeranschluss und den DAC-Cores zu ermöglichen. Die DSP-Datenraten sind in der Lage, komplexe Signale für Breitband- oder Multiband-Direkt-zu-HF-Applikationen, Phasen-Array-Radarsysteme und elektronische Kriegsführungsapplikationen zu verarbeitenDer AD9177 DAC kann ohne Datenempfängeranschluss betrieben werden, um mehrere Sinuswellentöne mit unterschiedlichen Frequenzen in DDS-Applikationen (Direct Digital Synthesis, DDS) zu erzeugen. Weitere Funktionen umfassen einen Loopback-Modus mit niedriger Latenz, ein schnelles Frequenzsprungverfahren, eine nachgeschaltete Schutzschaltung des Leistungsverstärkers, eine On-Chip-Temperaturüberwachungseinheit und flexible GPIO-Pins. Zu den typischen Applikationen gehören drahtlose Kommunikationsinfrastrukturen, Mikrowellen-Punkt-zu-Punkt-, E-Band-, 5G-mm-Wellen-, DOCSIS 3.1- und 4.0-CMTS-Breitband-Kommunikationssysteme und Phased-Array-Radar sowie elektronische Kriegsführung.
Merkmale
- Flexibles und rekonfigurierbares gängiges Plattform-Design:
- 4 DAC-Cores, die mit verschiedenen DSP- und Bypass-Datenraten verbunden sind
- Unterstützt Einzel-, Dual- und Quad-Band
- Datenpfade und DSP-Blöcke sind vollständig umgehbar
- On-Chip-PLL mit Multichip-Synchronisierung
- Externe RFCLK-Eingangsoption für Off-Chip-PLL
- DAC-AC-Leistung bei 12 GS/s:
- Full-Scale-Ausgangsstrombereich: 6,43 mA bis 37,75 mA
- Zweiton-IMD3: -78,9 dBc (-7 dBFS pro Ton)
- NSD von -155,1 dBc/Hz, Einzelton bei 3,7 GHz
- SFDR: -70 dBc, Einzelton bei 3,7 GHz
- Vielseitige digitale Funktionen:
- Wählbare Interpolationsfilter
- Konfigurierbare oder umgehbare DUCs
- 8 feine komplexe DUCs und 4 grobe komplexe DUCs
- 48-Bit-NCO pro DUC
- Option zur Umgehung von feinem und grobem DUC
- Programmierbare Verzögerung pro Datenpfad
- Unterstützung für Sende-DPD
- Feine DUC-Kanalverstärkungsregelung und Verzögerungsanpassung
- Maximale DAC-Abtastrate von bis zu 12 GS/s:
- Maximale Datenrate von bis zu 12 GS/s mit JESD204C
- Nutzbare analoge Bandbreite von bis zu 8 GHz
- Hilfsfunktionen:
- Direkte digitale Synthese und schnelles Frequenzsprungverfahren
- Loopback-Modus mit niedriger Latenz (Empfangsdatenpfad-NCO-Ausgänge können zu den Übertragungs-Datenraten geroutet werden)
- Nachgeschaltete Schutzschaltung für Leistungsverstärker
- On-Chip-Temperaturüberwachungseinheit
- Flexible GPIO-Pins
- TDD-Stromsparoption
- SERDES JESD204B/JESD204C Schnittstelle:
- JESD204B/C-Empfänger (JRx) mit 8 Spuren
- JESD204B-Konformität mit maximal 15,5 GBit/s
- JESD204C-Konformität mit maximal 24,75 GBit/s
- Unterstützt reale oder komplexe digitale Daten (8-, 12-, 16- oder 24-Bit)
- 324-Ball-BGA von 15 mm x 15 mm mit einem Rastermaß von 0,8 mm
Applikationen
- Drahtlose Kommunikationsinfrastruktur
- Mikrowellen-Punkt-zu-Punkt, E-Band und 5G-mmWave
- Breitband-Kommunikationssysteme
- DOCSIS 3.1 und 4.0 CMTS
- Phased-Array-Radar und elektronische Kriegsführung
- Elektronische Prüf- und Messsysteme
FUNKTIONALES BLOCKDIAGRAMM
Veröffentlichungsdatum: 2021-09-03
| Aktualisiert: 2025-02-21
