Analog Devices Inc. ADRF5549-EVZF Evaluierungsboard
Das Analog Devices Inc. ADRF5549-EVZF Evaluierungsboard ist zur Evaluierung der ADRF5549 Zweikanal-HF-Frontend-Module (FEMs) ausgelegt. Dieses Evaluierungsboard verfügt über eine einfache Verbindung zum Testen des Bauteils und eine Durchlassleitung für die Kalibrierung. Das ADRF5549-EVTHE Board arbeitet in einem Frequenzbereich von 1,8 GHz bis 2,8 GHz und bei einer Versorgungsspannung von 5 V.Merkmale
- Evaluiert ADRF5549 Zweikanal-HF-FEMs
- Einfache Verbindung zu Testausrüstungen
- Durchlassleitung für Kalibrierung
Weitere Ressourcen
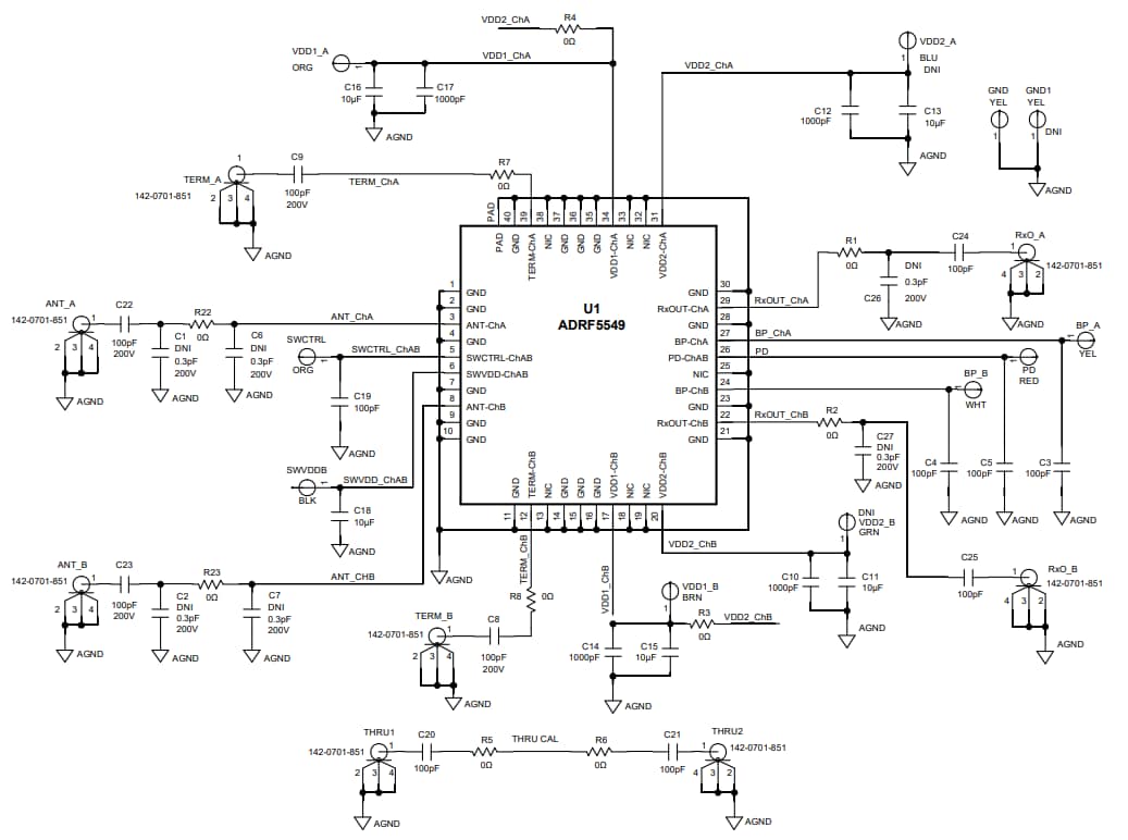
Schaltplan
Veröffentlichungsdatum: 2019-11-27
| Aktualisiert: 2024-02-26
