Analog Devices / Maxim Integrated MAX14912EVKIT und MAX14913EVKIT Evaluierungskit
Das Maxim MAX14912EVKIT/Max14913EVKIT Evaluierungskit bietet ein bewährtes Design zur Evaluierung der MAX14912 oder MAX14913 oktalen Digitalausgangstreiber. Das Evaluierungskit enthält ein Evaluierungsboard und eine grafische Benutzeroberfläche (GUI), welche die Kommunikation vom PC zum Zielgerät über einen USB-Anschluss ermöglichen. Das Evaluierungskit enthält eine Windows 7-, Windows 8- und Windows 10-kompatible Software zum Ausführen der Funktionen des IC. Die Evaluierungskit-GUI ermöglicht die Steuerung des MAX14912/MAX14913 entweder im Parallelmodus oder im seriellen (SPI) Modus. Das Evaluierungskit muss von einer externen +24V-Stromversorgung betrieben werden und kann bei Vollast bis 10 A verbrauchen. Das MAX14912EVKIT/MAX14913EVKIT enthält einen vorinstallierten MAX14912AKN+ oder MAX14913AKN+ und ist in einem 56-Pin-TQFN-EP-Gehäuse von 8 mm x 8 mm untergebracht.Merkmale
- Robuster Betrieb mit einer großen Auswahl von Eingangsspannungen und Lastbedingungen
- SPI-Schnittstelle mit einer Taktrate von bis zu 20 MHz
- Parallele Schnittstelle mit einer Schaltfrequenz von bis zu 200 kHz
- Manuelle Steuerung im Parallelbetrieb
- Großer Logik-Spannungsbereich
- Temperaturbereich: -40 °C bis 125 °C
- On-Board-LED-Anzeige von Status und Fehlerbedingungen
- Reihenschaltungs-Fähigkeit
- Sperrspannungsschutz
- Bewährtes PCB-Layout
- Vollständig bestückt und getestet
- Windows® 7, Windows 8 und Windows 10
- Kompatible Software
Lieferumfang Kit
- Stromversorgung von +24 V
- Voltmeter (optional)
- Oszillloskop (optional)
- PC mit installiertem Windows 7, Windows 8 oder Windows 10 und USB-Anschluss
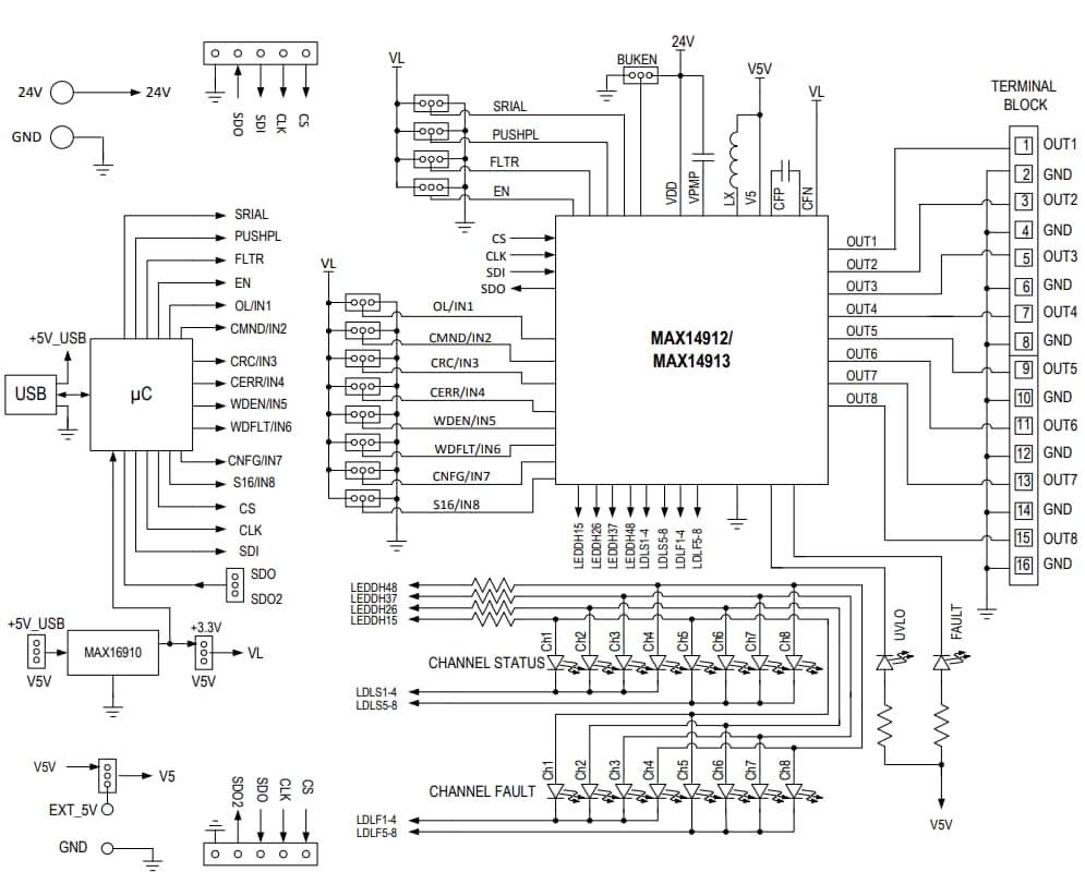
MAX14912/MAX14913 Systemblockdiagramm
Veröffentlichungsdatum: 2017-02-27
| Aktualisiert: 2023-04-11
