Analog Devices / Maxim Integrated MAX14912/MAX14913 Oktale High-Side-Schalter
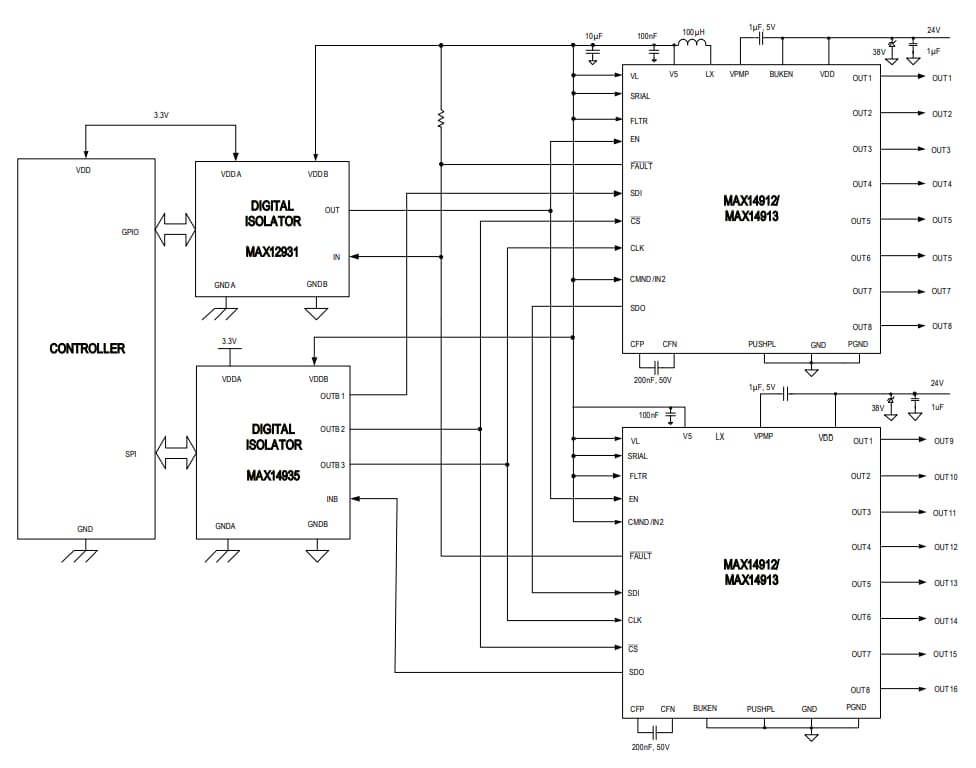
Maxim MAX14912/MAX14913 Oktale Hochgeschwindigkeits-High-Side-Schalter/Push-Pull-Treiber verfügen über acht Smart-High-Side-Schalter von 640 mA, die auch als Push-Pull-Treiber für Hochgeschwindigkeits-Schaltungen konfiguriert werden können. Die Laufzeitverzögerung vom Eingang zum Schalten der High-Side-/Low-Side-Treiber beträgt 1 μs (max). Jeder High-Side-Treiber hat einen niedrigen On-Widerstand von 230 mΩ (max.) bei 500 mA Laststrom bei TA=125 °C. Das Bauteil wird entweder über Pins oder die SPI-Schnittstelle konfiguriert und gesteuert. Die SPI-Schnittstelle kann in Reihe geschaltet werden, wodurch eine wirksame Kaskadierung mehrerer Bauteile ermöglicht wird. Die SPI unterstützt auch den Befehlsmodus, der für die ausführlichsten Diagnoseinformationen vorgesehen ist. Der MAX14912 ermöglicht die Konfiguration über die SPI in parallelen und seriellen Einstellungsmodi, während der MAX14913 nur serielle Einstellungen über die SPI unterstützt.Merkmale
- Geringer Stromverbrauch und geringe Wärmeverluste
- 230 mΩ (max.) High-Side-RON bei TA = 125 °C
- 5 V/100 mA Abwärtsregler mit hohem Wirkungsgrad
- Schnelles Schalten, das sich hervorragend für Hochgeschwindigkeits-Steuersysteme eignet
- Laufzeitverzögerungen (High-Side-Modus) von 0,1 µs (typisch)
- Laufzeitverzögerungen (Push-Pull-Modus) von 0,5 µs (typisch)
- 200 kHz Schaltfrequenz-Fähigkeit im Push-Pull-Modus
- Schnelle Entmagnetisierung induktiver Lasten
- Robuster Betrieb
- 60 V Absolut maximale VDD-Einstufung
- Sichere Entmagnetisierung: Sicheres Ausschalten der unbegrenzten Induktivität
- IEC61000-4-2 8 kV Luftspalt-/6 kV Kontakt-ESD-Schutz
- ±1 kV/42 Ω Überspannungsschutz mit TVS auf VDD
- Robuste SPI-Schnittstelle mit Watchdog und CRC
- Umgebungstemperaturbereich: -40 °C bis 125 °C
- Umfassende Diagnosefunktionen reduzieren Stillstandszeiten des Systems
- Thermische Abschaltung pro Treiber und Chip
- Offene Draht-Erkennung im High-Side-Modus
- Warnung bei niedriger Versorgungsspannung
- Unterspannungserkennung
- Überspannungserkennung an OUT
- Überstrom-Erkennung
- LED-Treiber für optische Fehler und Ausgangszustandsanzeige
- Flexible Schnittstelle für einfaches Design
- Parallele oder/und serielle Steuerungsschnittstelle
- Konfiguration und Überwachung pro Kanal
- Großer Logik-Spannungsbreich: 1,6 V bis 5,5 V
- Kleines Gehäuse und hohe Integration ermöglicht kompakte I/O-Module mit hoher Dichte
- 56-Pin-QFN-Gehäuse mit Abmessungen von 8 mm x 8 mm
- Acht High-Side-Schalter/Push-Pull-Treiber
- Reihen-schaltbare SPI-Schnittstelle
Applikationen
- Industrielle Digitalausgänge
- PLC-Systeme
- Gebäudeautomatisierung
Diagramm typischer Applikationen
Videos
Application Note
Veröffentlichungsdatum: 2017-02-24
| Aktualisiert: 2023-04-11
