Diodes Incorporated PCI Express (PCIe) Taktgeneratoren
Diodes Inc. PCI Express (PCIe) Taktgeneratoren sind stromsparende PCIe-Generatoren mit 2, 4 und 8 Ausgängen und On-Chip-Anschluss. Diese Taktgeneratoren verwenden einen 25-MHz-Quarz oder einen CMOS-Referenzeingang für die Bereitstellung mehrerer 100-MHz-Ausgängen mit On-Chip-Anschlüssen. Die PCIe-Taktgeneratoren verfügen über einen zusätzlichen gepufferten Referenzausgang, der als rauscharme Referenz für andere Schaltungen dient. Die Taktgeneratoren von Diodes Incorporated bieten verschiedene Optionen wie unterschiedliche Anstiegsrate und Amplitude über Band-Pins oder SMBUS. Das ermöglicht eine einfache Konfiguration des Bauteils durch die Nutzer, um die optimale Leistung für ihre entsprechenden Boards zu erzielen. Diese Bauteile unterstützen wählbare Optionen zur Frequenzspreizung, um EMI für verschiedene Applikationen zu reduzieren.Merkmale
- Quarz-/CMOS-Eingang von 25 MHz
- 2, 4 oder 8 stromsparende HCSL-Differential-Ausgänge mit On-Chip-Anschluss
- Individuelle Ausgangsfreigabe
- Referenz-CMOS-Ausgang
- Programmierbare Anstiegsgeschwindigkeit und Ausgangsamplitude für jeden Ausgang
- Differentielle Ausgänge werden blockiert bis der Phasenregelkreis (PLL) verriegelt ist
- Auswählbare 0 %, -0,25 % oder -0,5 % Spreizung an differentiellen Ausgängen
- Bandkontakte oder SMBus zur Konfiguration
- 3,3 V tolerante SMBus-Schnittstellenunterstützung
- Versorgungsspannungen:
- 1,5 V und 1,5 V
- Ausgänge mit sehr geringem Jitter:
- Weniger als 50 ps differienteller Jitter zwischen Zyklen
- Weniger als 60 ps differentieller Versatz zwischen Ausgängen
- PCIe konform mit Gen. 1/Gen. 2/Gen. 3/ Gen. 4
- Weniger als 1,5 ps RMS CMOS REFOUT-Phasenjitter
- Gehäuse (bleifrei und umweltfreundlich):
- 48-Pin-TQFN-Gehäuse von 6 mm x 6 mm
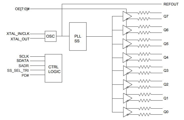
Blockdiagramm
View Results ( 4 ) Page
| Teilnummer | Datenblatt | Anzahl der Ausgänge | Art der Ausgabe | Betriebsversorgungsstrom | Verpackung/Gehäuse |
|---|---|---|---|---|---|
| PI6CG18201ZDIEX | ![]() |
2 Output | HCSL | 15 mA | TQFN-24 |
| PI6CG18801ZLIEX | ![]() |
8 Output | CMOS | 5 mA | TQFN-48 |
| PI6CG15401ZHIEX | ![]() |
4 Output | HCSL | 21 mA | TQFN-32 |
| PI6CG18200ZDIEX | ![]() |
2 Output | CMOS, HCSL | 15 mA | TQFN-24 |
Veröffentlichungsdatum: 2018-08-31
| Aktualisiert: 2022-09-30

