onsemi NCP10970 HV-Abwärtsschalter mit zwei Ausgängen
Die HV-Abwärtsschalter NCP10970 mit zwei Ausgängen von onsemi sind eine Hilfsstromversorgungslösung. Die Schalter NCP10970 sind für eine Mikrocontroller-Einheit oder ein DSP-basiertes System (Digital Signal Processing, DSP) optimiert. Die Bauteile der Baureihe NCP10970 von onsemi umfassen einen Hochspannungsschalter, einen linearen Regler und eine dedizierte Komparatorschaltung. Der Schalter eignet sich zum Aufbau einer Ausgangsspannung bis zu 16 V, die über den Widerstandsteiler am FB-Pin einstellbar und gegen Kurzschlüsse geschützt ist. Die dedizierte interne Schaltung verhindert den Betrieb im kontinuierlichen Leitungsmodus (CCM) und verbessern die Überspannungsrobustheit, den Wirkungsgrad und die EMI. Zu den typischen Applikationen gehören das Leistungsmanagement für intelligente Beleuchtung, Weißwaren, IoT, MCU- und DSP-basierte Beleuchtungstreiber/Vorschaltgeräte und industrielle Hilfsstromlösungen mit mehreren Ausgängen.Merkmale
- Mehrere Blöcke hochintegrierte
- 670 V Eingangsabwärtsschalter
- 3,3 V/100 mA LDO (A1-Option)
- 5 V/100 mA LDO (B1-Option)
- Abwärtsschalter mit zwei Ausgängen
- Standby-Modus über MCU
- Schutzfunktionen/Nutzfunktionen:
- Ein/Aus-Fehler-Pin
- Komparator mit schnellem Einschwingverhalten
- Entmagnetisierungserkennung
- Kurzschlussschutz auf dem Abwärtswandler und LDO – interne thermische Abschaltung
- Patentierte VRAW -Erzeugung für den LDO-Eingang
- Hochspannungs-Einschaltstromquelle
- Integrierter lateraler 670-V-MOSFET mit 18 Ω RDS(on)
- Festfrequenz-DCM-Strommodusregelung
- Soft-Start von 4 ms
- Geringer LDO-Leistungsverlust
- Niedrige Nulllast-Eingangsleistung
- Hohe Zuverlässigkeit des Systems
- Flexibles Design mit Übertemperaturschutz (OTP) / Überstromschutz (OCP)
- Stabiler Betrieb ohne CCM
- Einfach zu bestehende Sicherheitszertifizierung
- Erreichen eine gute Standby-Leistung
- 16-Pin-SO-Gehäuse mit Kriechstrecke
- Design mit kleiner Baugröße
Applikationen
- Leistungsmanagement für intelligente Beleuchtung, Weißwaren und IoT
- MCU- und DSP-basierte Beleuchtungstreiber/Vorschaltgeräte
- Beleuchtung
- Haushaltsgeräte
- Stromversorgungen
Weitere Ressourcen
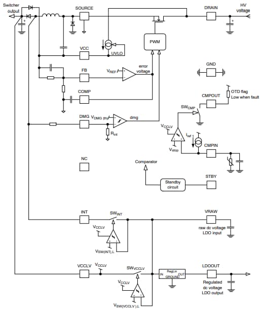
Vereinfachtes Blockdiagramm
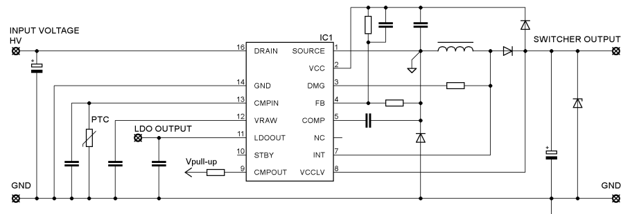
Applikationsschaltschema
Veröffentlichungsdatum: 2020-09-01
| Aktualisiert: 2024-05-29
