Qorvo QPL1819 75-Ω-CATV-Verstärker
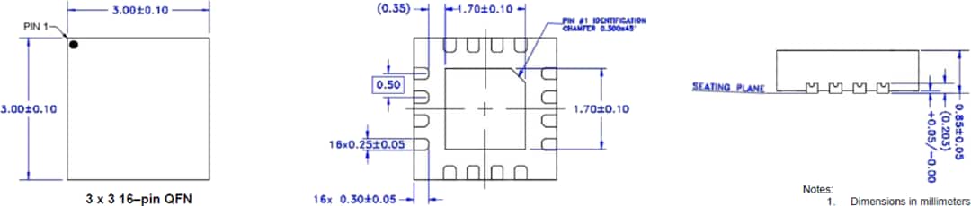
Der QPL1819 75Ω CATV-Verstärker von Qorvo ist ein GaAs (Galliumarsenid) pHEMT (Pseudomorphic High-Electron-Mobility Transistor) Single-Ended MMIC HF-Verstärker mit bis zu 20 dB Verstärkung und geringem Rauschen. Der QPL1819 bietet einen Frequenzbereich von 50 MHz bis 1.800 MHz und ist eine ideale Lösung für Breitband-CATV-DOCSIS 4.0 Applikationen, wie z. B. Knoten, Verstärker und Fern-PHY-Geräte sowie Fiber-to-the-Home (FTTH), Heim-Gateways und Kabelmodems. Das Bauteil wird von einer einzigen 5-V-Versorgung mit 120 mA gespeist und liefert einen Ausgang von 58 dBmV TCP bei einem Modulationsfehlerverhältnis (MER) von 45 dB.Der QPL1819 75Ω CATV-Verstärker von Qorvo ist in einem 3,0 mm x 3,0 mm großen Quad Flat No-Lead (QFN)-Gehäuse untergebracht, das sich ideal für platzbeschränkte Designs eignet.
Merkmale
- Frequenzbereich: 50 MHz bis 1.800 MHz
- Versorgungsspannung: 5 V
- Versorgungsstrom: 120 mA
- 63 dBmV TCP bei 45 MER
- Typischer Gain: 20 dB
- Gain-Anstieg: 0,3 dB
- Rauschzahl: 1,7 dB bei 50 Mhz bis 1800 MHz
- Mit externen Widerständen einstellbare Vorspannung
- Thermischer Widerstand: 57 °C/W
- Betriebstemperaturbereich: -40 °C bis +100 °C
- QFN-16 Gehäuse: 3,0 mm x 3,0 mm
- Bleifrei, halogenfrei und RoHS-konform
Applikationen
- DOCSIS 4.0 Verstärker
- DOCSIS 4.0 Optische Knoten
- DOCSIS 4.0 PHY-Ferngeräte
- FTTH-GPON und GEPON
- DOCSIS 4.0 Kabelmodems und Heim-Gateways
- Einendige Verstärkungsblöcke
Blockdiagramm und Pinbelegung
Gehäuseabmessungen
Veröffentlichungsdatum: 2022-06-15
| Aktualisiert: 2022-06-17
