ROHM Semiconductor RB-D610Q327TB48 Referenzboard
Das ROHM Semiconductor RB-D610Q327TB48 Referenzboard ist eine Entwicklungsplattform, die für den LAPIS ML610Q327 8-Bit-Mikrocontroller ausgelegt ist. Es bietet Entwicklern ein umfassendes und vielseitiges Tool zur Evaluierung und zum Prototyping von Embedded-Applikationen. Das Board verfügt über eine Reihe von integrierter Peripherie, einschließlich LEDs, Drucktasten und Steckverbinder, die das Testen und die Entwicklung vereinfachen. Darüber hinaus unterstützt das Bauteil die Kommunikation über UART für die serielle Datenübertragung und ermöglicht eine nahtlose Integration mit externen Bauteilen.Das RB-D610Q327TB48 Board von ROHM Semiconductor ist flexibel und bietet mehrere Stromversorgungsoptionen und Programmier-/Debugging-Schnittstellen für eine einfache Softwareentwicklung und Fehlerbehebung. Durch die Verwendung der stromsparenden Eigenschaften des ML610Q327 eignet sich das Referenzboard hervorragend für energieeffiziente Applikationen, wie z. B. IoT-Geräte, Unterhaltungselektronik und Industrie-Steuerungssysteme. Sein kompaktes Design und die robusten Funktionen machen es zu einem wertvollen Tool für ein schnelles Prototyping und eine effiziente Produktentwicklung.
Merkmale
- Für die Verwendung mit dem LAPIS ML610Q327 8-Bit-MCU
- Kann mit dem EASE1000 V2 On-Chip-Debug-Tool und der Software-Entwicklungsumgebung (DUT8 und MWU16) kombiniert werden, um Folgendes zu tun:
- Entwicklung und Debugging der MCU-Steuersoftware
- Programmiersteuerung und Soundcodedaten zum internen MCU-Flash-ROM
- Sprachwiedergabe durch den MCU
- Flexible I/O-Schnittstellen
- On-Board-Peripherie
- UART-Kommunikationsanschluss
- Flexible Stromversorgungsoptionen
- Programmierungs- und Debugging-Schnittstelle
- Stromsparender Betrieb
- Betriebsversorgungsspannungsbereich: 2 V bis 5,5 V
- Größe: 93,98 mm x 55,88 mm x 18 mm (B x T x H)
Applikationen
- Unterhaltungselektronik
- Internet of Things(IoT)-Geräte
- Fahrzeugelektronik
- Industrieautomatisierung
- Spielzeug und Lernprodukte
- Sicherheitssysteme
- Wearables
Übersicht
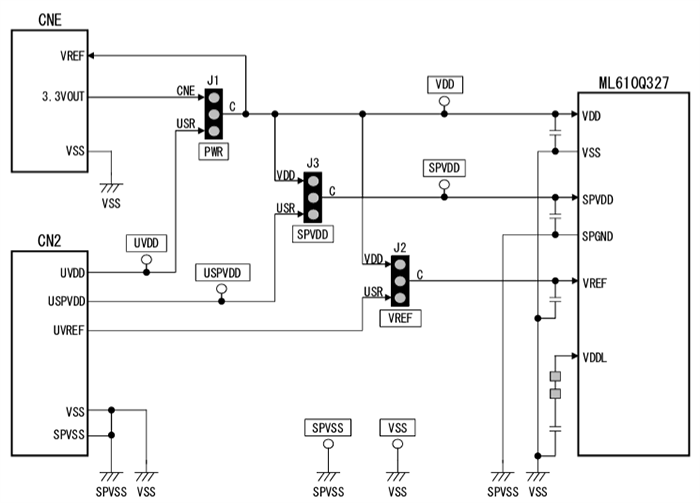
Leistungsschaltung
PCB-Layout
Veröffentlichungsdatum: 2024-12-20
| Aktualisiert: 2024-12-27
