ROHM Semiconductor RB-D610Q338TB52 Referenzboard
Das Referenzboard RB-D610Q338TB52 von ROHM Semiconductor ist eine Entwicklungsplattform, die die Evaluierung und das Prototyping von Embedded-Systemen auf Basis des 8-Bit-Mikrocontrollers LAPIS ML610Q338 erleichtert. Dieses Referenzboard bietet Entwicklern robuste Funktionen, einschließlich integrierter Peripheriegeräte wie LEDs, Tasten und Anschlüsse, die das Testen und die Integration externer Komponenten vereinfachen. Es unterstützt mehrere E/A-Schnittstellen, die eine nahtlose Interaktion mit Sensoren, Aktoren und anderen Geräten ermöglichen, außerdem bietet es UART-Kommunikation für den seriellen Datenaustausch.Die flexiblen Stromversorgungsoptionen des Boards RB-D610Q338TB52 von ROHM Semiconductor gewährleisten die Kompatibilität mit verschiedenen externen Komponenten, und die ICSP-Schnittstelle (In-Circuit Serial Programming) ermöglicht eine einfache Programmierung und Fehlersuche. Optimiert für einen niedrigen Stromverbrauch, ist das Bauelement RB-D610Q338TB52 ideal für energieeffiziente Anwendungen wie IoT-Geräte und tragbare Produkte. Mit seinem kompakten Design und der umfassenden Unterstützung für Entwicklung und Debugging ist dieses Referenzboard ein wertvolles Werkzeug für Entwickler, die mit dem LAPIS MCU ML610Q338 arbeiten.
Merkmale
- Zur Verwendung mit der LAPIS 8-bit-MCU ML610Q338
- Eine Kombination mit dem On-Chip-Debug-Tool EASE1000 V2 und der Software-Entwicklungsumgebung (DUT8 und MWU16) ist für folgende Applikationen möglich:
- Entwicklung und Fehlersuche bei der MCU-Steuerungssoftware
- Programmierung von Steuer- und Soundcode-Daten der internen Flash-ROM des MCUs
- Sprachwiedergabe durch den MCU
- Flexible E/A-Schnittstellen
- Onboard-Peripheriegeräte
- UART-Kommunikationsanschluss
- Flexible Stromversorgungsoptionen
- Schnittstelle zur Programmierung und Fehlersuche
- Stromsparender Betrieb
- Bereich der Betriebsspannung: 2 V bis 5,5 V
- Größe: 93,98 mm x 55,88 mm x 18 mm (BxTxH)
Applikationen
- Unterhaltungselektronik
- Geräte des Internet der Dinge (IoT)
- Automobilelektronik
- Industrieautomatisierung
- Spielzeug und pädagogische Produkte
- Sicherheitssysteme
- Wearables
Übersicht
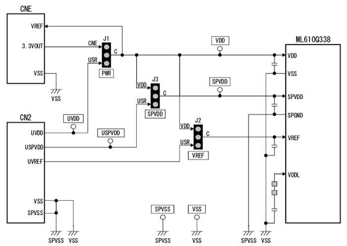
Stromkreis
PCB-Layout
Veröffentlichungsdatum: 2024-12-20
| Aktualisiert: 2024-12-27
