ROHM Semiconductor RB-D62Q2045GD24 Referenz-Board
Das Referenz-Board RB-D62Q2045GD24 von ROHM Semiconductor ist eine äußerst vielseitige Entwicklungsplattform mit dem 16-Bit-Mikrocontroller LAPIS ML62Q2045. Das Referenz-Board wurde für speziell für ein robustes Betriebsverhalten und Flexibilität entwickelt und bietet eine ideale Lösung für Ingenieure und Entwickler, die an Embedded-Systeme arbeiten. Der Mikrocontroller ML62Q2045 kombiniert einen geringen Stromverbrauch mit einem hohen Funktionsumfang und eignet sich daher hervorragend für Applikationen in der Industrieautomatisierung, Unterhaltungselektronik und Geräte für das Internet der Dinge (IoT). Ausgestattet mit wichtigen Peripheriegeräten, Debugging-Schnittstellen und konfigurierbaren Funktionen ermöglicht der das Bauteil RB-D62Q2045GD24 von ROHM Semiconductor nahtloses Prototyping und die Evaluierung von Designs. Das benutzerfreundliche Layout und die umfassende Dokumentation steigern den Wirkungsgrad zusätzlich und gewährleisten eine reibungslose Integration in verschiedene Projekte.Das Bauteil RB-D62Q2045GD24 kann zur Einarbeitung in die Nutzung des MCUs ML62Q2045 verwendet werden. Dafür müssen von den Nutzer bei Bedarf zusätzliche externe Komponenten bereitgestellt werden. Der Nutzer kann, indem er das Bauteil RB-D62Q2045GD24 zusammen mit dem On-Chip-Emulator EASE1000 V2 und der Softwareentwicklungsumgebung verwendet, Software entwickeln und den Flash-Speicher debuggen/programmieren. Das Bauteil ermöglicht außerdem, dass mit dem Anschluss einer externen Stromversorgung an das Referenz-Board RB-D62Q2045GD24 eine unabhängige Nutzung möglich ist, ohne dass hierzu der Anschluss des Bauteils EASE1000 V2 erforderlich ist.
Merkmale
- Ausgestattet mit dem 16-Bit-Mikrocontroller LAPIS ML62Q2045, 24-poliges WQFN-Gehäuse
- Über den verbundenen Steckverbinder an das Bauteil EASE1000 V2 montiert
- Durchgangslöcher zur Verbindung der Pins des LSI mit externen Peripherieplatinen
- Wählbare Stromversorgung, die vom On-Chip-Emulator EASE1000 V2 oder CN1_6pin bereitgestellt wird
- Ausgestattet mit einer Ladungspumpe zur Stromerzeugung
- Ausgestattet mit LED (P05)
- Fußmuster mit Komponenten für einen A/D-Wandler vom Typ „Successive Approximation“ verfügbar (P14, P15, P16, P17)
- Integrierte Peripheriegeräte
- Debugging- und Programmierschnittstelle
- Kommunikationsschnittstellen UART, SPI und I2C
- Versorgungsspannungsbereich: 4,5 V – 5,5 V
- Größe: 56 mm x 94 mm x 15 mm (BxDxH)
Applikationen
- Haus- und Gebäudeautomation
- Industrielle Steuerung und Überwachung
- IoT-Geräte
- Wearables
- Unterhaltungselektronik
- Fahrzeug
- Medizinische Bauteile
- Energiemanagement
Übersicht
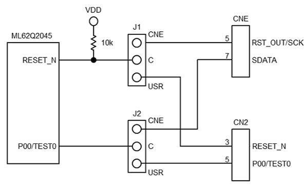
Stromkreis
EASE1000-V2-Schnittstelle
PCB-Layout
Veröffentlichungsdatum: 2025-01-10
| Aktualisiert: 2025-08-19
