STMicroelectronics STEVAL-ISA189V1 Evaluierungsboard

Das STMicroelectronics STEVAL-ISA189V1 Evaluationboard basiert auf der A6986F5V, die bis zu 1,5A liefern kann und Kaltstarterereignissen und weiten Eingangsbetriebsspannungsbereichen widersteht. Die STEVAL-ISA189V1 ist AEC Q100-qualifiziert und ist die perfekte Wahl für batteriebetriebene Automotive-Systeme. Das Board verfügt über eine synchrone Gleichrichtung und erreicht bei Volllast einen höheren Wirkungsgrad und eine bessere Kompaktheit der Anwendung. Die Hochschaltfrequenz (programmierbar bis zu 2MHz) hilft Kosten und die Größe der leistungspassiven Komponenten zu reduzieren, während sie außerhalb des AM-Frequenzbandes verbleiben.

Merkmale

  • AEC-Q100-qualifiziert
  • 1,5 A DC-Ausgangsstrom
  • 4 V bis 38 V Betriebseingangsspannung
  • Stromsparmodus oder rauscharmer Modus
  • Programmierbarer ISKIP-Strom
  • 45 μA IQ bei leichter Last (LCM VIN  = 12 V)
  • 8 μA IQ-SHTDWN
  • Einstellbare fSW (250 kHz bis 2 MHz)
  • Feste Ausgangsspannung von 5 V VOUT
  • Embedded Ausgangsspannungswächter
  • Synchronisierung
  • Einstellbare Sanftanlauf-Zeit
  • Interne Strombegrenzung
  • Überspannungsschutz
  • Sequentialisierung der Ausgangsspannung
  • Spitzenstrommodus-Architektur
  • 180mΩ RDS(on)HS und 150mΩ RDS(on)LS
  • Thermische Abschaltung
  • RoHS-konform

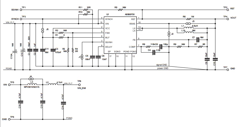
STEVAL-ISA189V1 Schaltplan

Schaltplan - STMicroelectronics STEVAL-ISA189V1 Evaluierungsboard
Veröffentlichungsdatum: 2016-05-20 | Aktualisiert: 2022-03-11