STMicroelectronics STGAP4S Isolierte Gate-Treiber
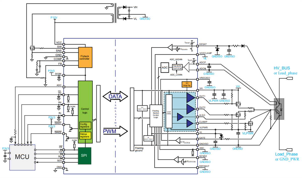
Die STGAP4S isolierten Gate-Treiber von STMicroelectronics sind galvanisch getrennte Einzel-Gate-Treiber für IGBTs und SiC-MOSFETs mit erweiterten Schutz-, Konfigurations- und Diagnosefunktionen. Die Architektur dieser Treiber isoliert den Kanal-Gate-Ansteuerung von der Steuerung und der Niederspannungs-Schnittstellenschaltung durch echte galvanische Trennung. Die STGAP4S Treiber enthalten einen Temperatursensor und einen Regler für eine isolierte Flyback-Stromversorgung, die positive und negative Gate-Treiber-Versorgungsspannungen erzeugt. Die Open-Drain-Diagnoseausgänge sind vorhanden und detaillierte Gerätezustände können über die SPI überwacht werden. Jeder Funktionsparameter kann über die SPI programmiert werden, wodurch das Bauteil sehr flexibel ist und in eine große Auswahl von Applikationen passt. Die STGAP4S Gate-Treiber werden in Wechselrichtern für Elektrofahrzeuge (EVs), Industrie-Wechselrichter, EV-Ladestationen, USV-Ausrüstungen, Solarwechselrichter, AC/AC-Wandler und DC/DC-Wandler verwendet.Merkmale
- AEC-Q100-qualifiziert
- Hochspannungsschiene bis zu 1.200 V
- Zwei Ausgangspins für den direkten Antrieb des externen MOSFET-Buffers
- Treiberstromfähigkeit:
- OUT1: 0,6/2,5 A Senke/Quelle
- OUT2: 2,4/0,6 A Senke/Quelle
- Negative Gate-Ansteuerbarkeit
- dV/dt transiente Immunität ±100 V/ns im vollen Temperaturbereich
- Integrierter Controller für isolierte Flyback-Stromversorgung
- Aktiver Miller-Klemmentreiber für externen N-Kanal-MOSFET
- Programmierbare Entsättigungserkennung
- Programmierbare Überstromerkennung
- Programmierbare Unterspannungssperre (UVLO) und Überspannungssperre (OVLO) auf jeder Versorgung
- Programmierbarer Eingangs-Fehlerbehebungsfilter
- Sanftes Ausschalten
- VCE aktive Klemme
- Zwei Diagnosestatusausgänge
- Asynchroner Stopp-Befehl
- Isolierter 8-Bit-Analog-Digital-Wandler
- Integrierter Temperatursensor
- Programmierbare Totzeit, mit Verstoßfehler
- SPI-Schnittstelle für Parameterprogrammierung und erweiterte Diagnosefunktionen
- Temperaturwarnung und Abschaltschutz
- Selbstdiagnose-Routinen für Schutzfunktionen
Applikationen
- Wechselrichter für EV/HEV
- 600/1200-V-Industrie-Wechselrichter
- EV-Ladestationen
- USV-Ausrüstung
- AC/AC-Wandler
- DC/DC-Wandler
- Solar-Wechselrichter
Blockdiagramm
Typische Applikations-Schaltung
Weitere Ressourcen
Videos
Veröffentlichungsdatum: 2024-03-15
| Aktualisiert: 2025-08-12
