Texas Instruments LMR36500 Synchroner Abwärtswandler
Der Texas Instruments LMR36500 synchrone Abwärtswandler ist ein extrem kleiner DC/DC-Abwärtswandler mit einem großen Eingangsspannungsbereich von 3 V bis 65 V in einem HotRod-Gehäuse von 4 mm2. Dieser Wechselrichter überzeugt durch hervorragende EMI-Eigenschaften, kann Spannungstransienten von bis zu 70 V und bewältigen und ermöglicht festgelegte 3,3 V sowie einstellbare 5 V Ausgangsspannungen. Der Wechselrichter LMR36500 ist für einen großen Bereich an Tastverhältnissen und einen Schaltfrequenzbereich von 200 kHz bis 2,2 MHz ausgelegt. Dieser synchrone Abwärtswandler verfügt über einen EN/UVLO, der eine präzise Bauelementsteuerung beim Starten und Herunterfahren ermöglicht. Die PGOOD-Flagge verfügt über einen integrierten Glitch-Filter und eine verzögerte Freigabe, die den Systemstatus genau anzeigen und somit die Verwendung eines externen Spannungsüberwachers überflüssig machen. Zu den typischen Anwendungsbereichen gehören Feldtransmitter und Prozesssensoren, HVAC- (Heizungs-, Lüftungs- und Klimatechnik) und Brandschutzdetektoren und -melder, Garten- und Elektrowerkzeuge sowie tragbare Elektronik.Merkmale
- Speziell für raue industrielle Bedingungen ausgelegt:
- Sperrschichttemperaturbereich von -40 °C bis 150 °C
- Eingangstransientenfähigkeit bis zu 70 V
- 3 V (fallender Schwellwert) bis 65 V großer Eingangsspannungsbereich
- Minimiertes Klingeln am Switch-Knoten, um elektromagnetische Störungen zu reduzieren
- Einstellbare und feste Ausgangsspannungsoptionen von 3,3 V und 5 V verfügbar
- Ausgelegt für skalierbare industrielle Stromversorgungen:
- Pin-kompatibel mit LMR36503 (65 V, 300 mA) und LMR36506 (65 V, 600 mA)
- 200 kHz bis 2,2 MHz mit RT-Pin-Variante einstellbare Schaltfrequenz
- Hoher Wirkungsgrad über den gesamten Lastbereich bei geringer Verlustleistung:
- Maximaler Wirkungsgrad größer als 80 % bei 1 MHz (3,3 V VOUT)
- Ultrakleines 2 mm × 2 mm HotRod™-Gehäuse
Applikationen
- Fabrikautomatisierung
- Feldtransmitter und Prozesssensoren
- Gebäudeautomation:
- Benachrichtigungen und Melder für HVAC und Brandschutz
- Haushaltsgeräte:
- Garten- und Elektrowerkzeuge
- Tragbare Elektronik
- Kopfhörer und Ohrhörer
Wirkungsgrad vs. Ausgangsstrom
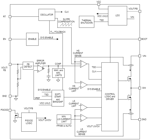
Funktionales Blockdiagramm
Veröffentlichungsdatum: 2024-01-10
| Aktualisiert: 2025-03-05
