Texas Instruments TMP1827EVM Evaluierungsmodul (EVM)

Das Texas Instruments TMP1827EVM Evaluierungsmodul (EVM) ist für die Evaluierung des TMP1827 Temperatursensors vorgesehen. Dieser TMP1827 ist ein Einzeldraht-kompatibler Temperatursensor mit hoher Genauigkeit sowie digitalem Ausgang und integriertem Secure-Hash-Algorithmus Der TMP1827 Sensor bietet eine hohe Genauigkeit von ±0,3°C über den Temperaturbereich von -55°C bis +150°C. Das TMP1827EVM Evaluierungsmodul verfügt über einen USB-Stick-Formfaktor mit einem integrierten MSP430F5528 Mikrocontroller, der über eine Eindrahtschnittstelle sowohl mit dem Host-Computer als auch mit dem TMP1827 Bauteil verbunden ist. Dieses Modul ist mit Perforationen zwischen dem Sensor und dem Host-Controller auf dem Evaluierungsboard ausgestattet.

Merkmale

  • Evaluiert den TMP1827 Temperatursensor
  • USB-Stick-Formfaktor
  • Enthält den MSP430F5528 Mikrocontroller
  • Perforation zwischen dem USB-Controllerboard und dem TMP1827 Sensorboard

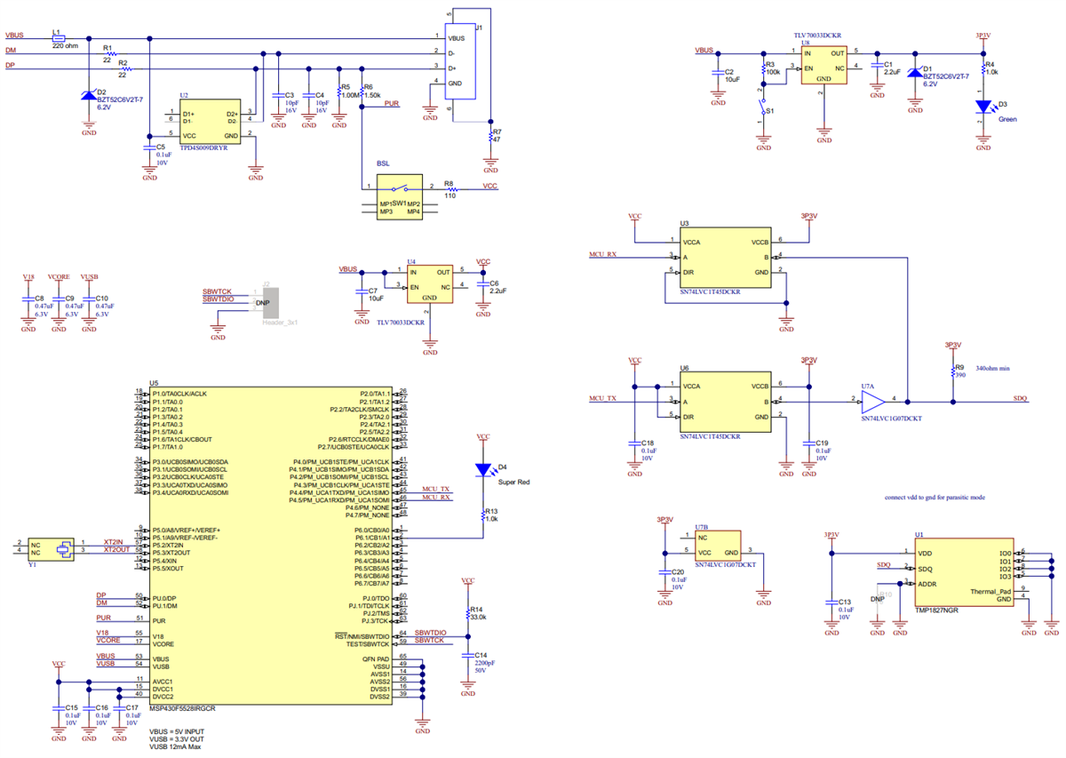
Schaltschema

Schaltplan - Texas Instruments TMP1827EVM Evaluierungsmodul (EVM)
Veröffentlichungsdatum: 2023-02-09 | Aktualisiert: 2023-10-30