Texas Instruments ULN2003ADYYEVM Evaluierungsmodul
Mit dem ULN2003ADYYEVM Evaluierungsmodul von Texas Instruments können Sie die gesamte Leistung und Funktionalität des ULN2003ADYY im Gehäuse DYY SOT-23-THIN testen. Die ULN200xA/ULQ200xA Hochspannungs-Hochstrom-Darlington-Transistor-Arrays bestehen aus sieben NPN-Darlington-Paaren mit Hochspannungsausgängen mit Gleichtakt-Klemmdioden zum Schalten induktiver Lasten.TI ULN2003ADYYEVM wurde entwickelt, um als eigenständiges Board mit angeschlossener Spannungsversorgung und Ausgangslast verwendet zu werden. Mit diesem Standalone-Board können Sie das ULN2003ADYY testen und bewerten, bevor Sie es als Teil des Stromversorgungssystems einer größeren Anwendung entwickeln. Das ULN2003ADYYEVM ist mit dem ULN2003ADYY SOT (DYY-Version) ausgestattet.
Merkmale
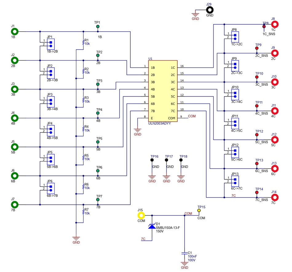
- Pull-down-Widerstände an jedem Steuereingang, um sicherzustellen, dass die INx-Signale nicht floaten
- Jumper für parallele Kanäle zur Erhöhung der Strombelastbarkeit
- Eine zusätzliche Diode ist von OUT7 an COM angeschlossen, um die Rückkopplungsspannung von einer induktiven Last zu unterdrücken, die beim Ausschalten der NPN-Treiber an OUT7 angeregt wird.
Applikationen
- Relaistreiber
- Treiber für Schrittmotoren und DC-Bürstenmotoren
- Treiber für Lampen
- Display-Treiber (LED und Gasentladung)
- Leitungstreiber
- Logik-Buffer
Schaltschema
Veröffentlichungsdatum: 2025-02-22
| Aktualisiert: 2025-03-06
