Texas Instruments TPS92663-Q1 Automotive-LED-Matrix-Manager
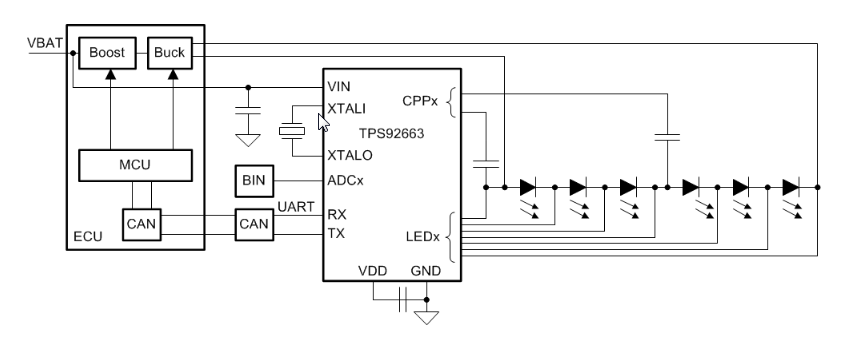
Der Texas Instruments TPS92663-Q1 Leuchtstarke LED Matrix-Manager für Automotive-Scheinwerfersysteme bietet eine vollständig dynamische adaptive Beleuchtungslösung. Das Bauteil bietet eine LED-Steuerung auf der Ebene einzelner Pixel und beinhaltet zwei Unterketten von drei in Reihe geschalteten integrierten Schaltern für die Umgehung einzelner LEDs. Eine einzelne oder mehrfache Stromquellen können von diesen einzelnen Unterketten akzeptiert werden sowie eine Parallelverbindung von zwei Schaltern, um leistungsstake LEDs zu umgehen. Eine universelle asynchroner Multidrop-Receiver-Transmitter- (UART) serielle Schnittstelle steuert das Bauteil über einen Master-Mikrocontroller. CAN-Transceiver können durch die serielle Schnittstelle für eine stärkere physische Schicht verwendet werden. LED-Binning und -Coding ist durch einen integrierten 8-Bit-ADC mit zwei Multiplex-Eingängen möglich, die für eine Systemtemperaturkompensation verwendet werden. Ein offener LED-Schutz ist auf dem TPS92663-Q1 mit einem programmierbaren Schwellenwert enthalten. Die Bauteile TPS92663-Q1 sind gemäß AEC-Q100 für Fahrzeuganwendungen zugelassen.Merkmale
- Nach AEC-Q100 für Fahrzeuganwendungen qualifiziert
- Bauteil-Temperatur Klasse 1: -40 °C bis 125 °C, TA
- HBM-Bauteilklassifikationsstufe: H1C
- CDM-Bauteilklassifikation Stufe C5
- Eingangsspannungsbereich: 4,5 V bis 60 V
- Sechs integrierte Bypass-Schalter
- Zwei Unterketten von drei Serienschaltern
- 20 V (max.) über alle Schalter
- 62 V (max.) zu GND
- Multidrop-UART-Kommunikationsschnittstelle
- Bis zu 16 adressierbare Bauteile
- Integriert auf demselben Bus wie der TPS92662
- Kompatibel mit der CAN-Physical-Layer
- Mindestanzahl der Drähte im Kabelbaum
- 8-Bit-ADC mit zwei MUX-Eingängen
- Quarzoszillator-Treiber
- Programmierbare 10-Bit-PWM-Dimmung
- Individuelle Phasenverschiebung und Impulsbreite
- Bauteil-zu-Bauteil-Synchronisierung
- Offene Kurzschluss-LED-Erkennung und Schutz
Applikationen
- Automotive-Scheinwerfersysteme
- Ultrahelle LED-Matrixsysteme
- ADB oder blendfreies Fernlicht
Blockdiagramm
Veröffentlichungsdatum: 2018-08-08
| Aktualisiert: 2025-03-10
