Texas Instruments TPS92667-Q1 Automotive-LED-Matrix-Manager

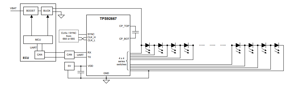
Der TPS92667-Q1 Automotive-LED-Matrix-Manager von Texas Instruments bietet eine vollständig dynamische adaptive Beleuchtungslösung mit einer individuellen LED-Steuerung auf Pixelebene. Der TPS92667-Q1 enthält vier Unterketten von vier in Reihengeschalteten integrierten Schaltern für die Umgehung von einzelnen LEDs. Die einzelnen Unterketten ermöglichen dem TPS92667-Q1, entweder einzelne oder mehrere Stromquellen zu aufzunehmen.

Der Matrix-Manager TI TPS92667 verfügt über einen internen rauscharmen LVDS-Empfängereingang für einen Systemtakt, der von einem TPS92664- oder TPS92665-Baustein bereitgestellt wird. Die serielle Multidrop-Universal-Asynchron-Empfänger-Sender-(UART-)Schnittstelle ist mit den Matrix-Managern TPS92664, TPS92665, TPS92662x und TPS92663x kompatibel.

Die TPS92667 enthält Register für die Programmierung des Phasensprungs und der Pulsbreite jeder einzelnen LED in der Kette und für die Meldung von offenen LEDs, Kurzschlussstörungen und Funktionsparametern.

Merkmale

  • AEC-Q100-qualifiziert für Fahrzeuganwendungen
    • Klasse 1 -40 °C bis +125 °C Umgebungstemperatur
    • HBM-Bauteilklassifikation Stufe H1C
    • CDM-Bauteilklassifikation Stufe C5
  • 16 integrierte Bypass-Schalter
    • Programmierbare 10-Bit-PWM-Verdunkelung
    • Programmierbare Anstiegsratensteuerung
    • Offene LED-Erkennung und -Schutzfunktionen
  • Serielle UART-Kommunikation
    • LVDS-Taktempfänger für externen Systemtakt
    • Kompatibel mit der vorherigen LMM-Generation
    • Kompatibel mit CAN-Transceiver
  • Fähig für die funktionale Sicherheit
    • Dokumentation zur Unterstützung des Designs von funktionalen Sicherheitssystemen ist verfügbar

Applikationen

  • Automotive-Scheinwerfersysteme
  • ADB- oder blendfreies Fernlicht
  • Tagfahrlicht mit sequenzieller Drehung/Lichtanimation

Vereinfachte Applikation

Applikations-Schaltungsdiagramm - Texas Instruments TPS92667-Q1 Automotive-LED-Matrix-Manager
Veröffentlichungsdatum: 2023-01-21 | Aktualisiert: 2025-03-06