Texas Instruments TPS92664-Q1 16-Kanal-LED-Matrix-Manager
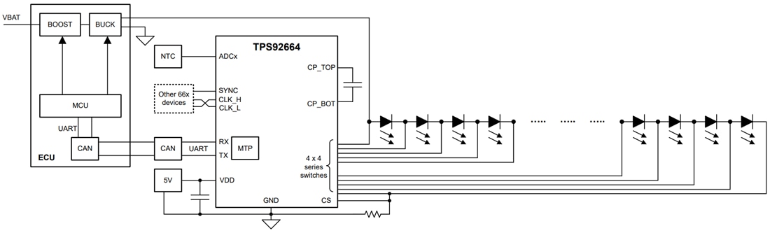
Der Texas Instruments TPS92664-Q1 16-Kanal-LED-Matrix-Manager ermöglicht durch die Bereitstellung einer LED-Steuerung auf der Ebene einzelner Pixel, vollständig dynamische adaptive Beleuchtungslösungen. Das Bauteil enthält vier Unterketten von vier in reihengeschalteten integrierten Schaltern für die Umgehung einzelner LEDs. Die einzelnen Unterketten ermöglichen dem Bauteil, entweder einzelne oder mehrere Stromquellen zu aufzunehmen.Der TPS92664-Q1 verfügt über einen internen Oszillator. Der interne Oszillator kann über die internen rauscharmen LVDS-Sender- und Empfängerblöcke mit anderen Systembauteilen geteilt werden. Die serielle Multi-Drop-Universal-Asynchron-Empfänger-Sender-Schnittstelle (UART) ist mit den TPS92665, TPS92667, TPS92662x und TPS92663x Bauteilen kompatibel. Der interne EEPROM kann Systemstandards sowie Kalibrierungs- und Beleuchtungsmoduldaten speichern. Ein On-Board-ADC mit Multiplex-Eingängen tastet alle LED-Kanäle, die IC-Chip-Temperatur und eine LED-Strommessung ab. Darüber hinaus tastet der ADC dedizierte ADC-Eingänge für den Einsatz mit der Systemtemperatur-Kompensation, LED-Klassifizierung und -Kodierung ab.
Der TPS92664-Q1 von Texas Instruments enthält Register für die Programmierung des Phasensprungs und der Pulsbreite jeder einzelnen LED in der Kette und für die Meldung von offenen LEDs, Kurzschlussstörungen und Funktionsparametern.
Merkmale
- AEC-Q100-qualifiziert für Fahrzeuganwendungen
- Umgebungstemperatur Klasse 1: -40 °C bis +125 °C
- HBM-Bauteilklassifikation Stufe H1C
- CDM-Bauteilklassifikation Stufe C5
- Konform mit der funktionalen Sicherheit
- Für funktionale Sicherheitsapplikationen ausgelegt
- Dokumentation zur Unterstützung des Systemdesigns gemäß ISO 26262 bis ASIL B verfügbar
- 16 integrierte Bypass-Schalter
- Programmierbare 10-Bit-PWM-Verdunkelung
- Programmierbare Anstiegsratensteuerung
- Offene LED-Erkennung und -Schutzfunktionen
- Kurzschlusserkennung bei einzelnen LEDs
- Serielle UART-Kommunikation
- Interner Oszillator für Systemtaktgeber
- LVDS-Takttreiber für die Synchronisierung von Bauteilen
- Kompatibel mit der vorherigen LMM-Generation
- Kompatibel mit CAN-Transceiver
- Integrierter ADC
- LED-Spannung für jeden Schalter
- LED-Stromwächter
- Chip-Temperatur
- 2 x Universal-ADC-Eingänge (Thermistor-kompatibel)
- Interner EEPROM (MTP)
- Ausfallsichere Standardeinstellungen
- Kunden-Kalibrierungsdaten
Applikationen
- Automotive-Scheinwerfersysteme
- ADB- oder blendfreies Fernlicht
- Tagfahrlicht mit sequenzieller Drehung/Lichtanimation
Vereinfachte Applikation
