Texas Instruments TPS92662A-Q1 LED-Matrix-Manager
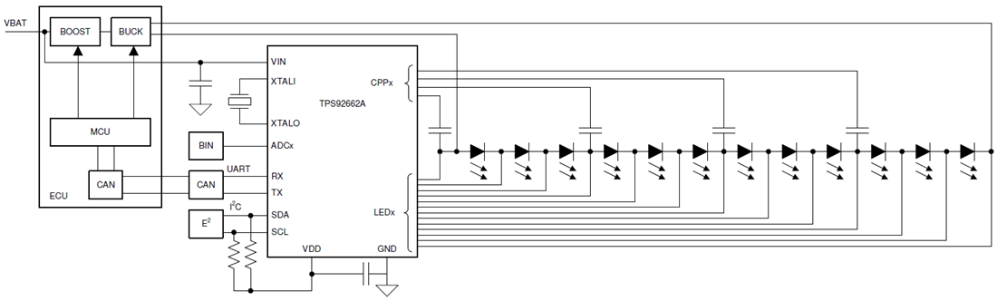
Der Texas Instruments TPS92662A-Q1 LED-Matrix-Manager ermöglicht durch die Bereitstellung einer LED-Steuerung auf der Ebene einzelner Pixel, vollständig dynamische adaptive Beleuchtungslösungen. Das Bauelement enthält vier Teilstränge mit drei in Reihe geschalteten integrierten Schaltern zur Überbrückung einzelner LEDs. Die einzelnen Teilstrings ermöglichen es dem Bauelement, einzelne oder mehrere Stromquellen zu akzeptieren. Der TPS92662A-Q1 verfügt über einen programmierbaren Pierce-Quarzoszillator-Treiber. Eine optimale Leistung wird durch die Wahl der Treiberstärke auf der Grundlage der Empfehlungen des Herstellers für Quarzkristall- oder Keramikresonatoren erreicht. Das Gerät verfügt außerdem über einen Taktpuffer mit wählbarer Treiberstärke. Die Anstiegs- und Abfallzeiten und die durch ein Taktsignal erzeugte EMI werden durch Variation der Ansteuerungsstärke des Taktpuffers gesteuert. Bei Bedarf kann der Taktpuffer deaktiviert werden, um das durch das Taktsignal erzeugte Rauschen zu eliminieren und die geringste EMI-Leistung zu erzielen.Der TPS92662A-Q1 unterstützt die serielle Multi-Drop Universal Asynchronous Receiver Transmitter (UART)-Schnittstelle und ist kompatibel mit den Bauteilen TPS92662-Q1 und TPS92663-Q1. Die I2C-Kommunikationsschnittstelle kann von einem externen EEPROM lesen und darauf schreiben, um Systemkalibrierungsdaten zu speichern. Ein integrierter 8-Bit-ADC mit zwei gemultiplexten Eingängen kann zur Kompensation der Systemtemperatur und zur Messung eines Binning-Wertes verwendet werden, was LED-Binning und -Codierung ermöglicht. Die interne Ladungspumpenschiene liefert die Gate-Treiberspannung für die LED-Bypass-Schalter. Der niedrige Einschaltwiderstand des Bypass-Schalters (RDS(on)) minimiert Leitungsverluste und Verlustleistung. Die TPS92662A-Q1 und TPS92663-Q1 verfügen über identische Registereinstellungen für die Programmierung der Phasensprung und der Pulsbreite jeder LED im String sowie für die Meldung von LED-Unterbrechungs- und Kurzschlussfehlern. Die TPS92662A-Q1-Bauteile von Texas Instruments sind nach AEC-Q100 für Automobilanwendungen qualifiziert.
Merkmale
- AEC-Q100-qualifiziert für Fahrzeuganwendungen
- Klasse 1 (-40 °C bis 125 °C Betriebstemperatur)
- Bauteil HBM-Klassifizierungsstufe H1C
- Bauelement CDM-Klassifizierungsstufe C5
- 4,5 V bis 60 V Eingangsspannungsbereich
- 12 integrierte Bypass-Schalter
- Multi-Drop-UART-Kommunikationsschnittstelle
- Kompatibel mit TPS92662-Q1 und TPS92663-Q1 Bauteilen
- Kompatibel mit der CAN-Physical-Layer
- 8-Bit-ADC mit zwei gemultiplexten Eingängen
- Programmierbarer Quarzoszillator-Treiber und programmierbare Taktpufferstärke
- Verbesserte abgestrahlte und leitungsgeführte EMI-Leistung
- Externe EEPROM I2C-Schnittstelle
- Programmierbare 10-Bit-PWM-Verdunkelung
- LED-Kurzschluss-Sicherung und -Unterbrechungsschutz
- Unterstützt Multi-LMM-Synchronisierung für mehr als 12-LED-Ketten über Time-Division-Multiplexing
Applikationen
- Automobilscheinwerfersysteme
- ADB- oder blendfreies Fernlicht
- Tagfahrlicht mit sequenzieller Windung/animiertes Tagesfahrlicht
Vereinfachte Applikation
